Foram encontradas 377 questões.
A definição dos níveis de iluminamento é a primeira etapa do projeto luminotécnico. Nesta etapa é definida a iluminância necessária para o ambiente em função da tarefa visual que será desenvolvida no local. Estes níveis devem obedecer aos valores mínimos de iluminação recomendados pela NBR 5413 para cada tipo de atividade em função da idade média dos usuários, precisão e velocidade exigida pelas tarefas e refletância do fundo da tarefa. Com base nestas informações, associe as colunas que seguem.
Tipo de Ambiente
I. Corredores e escadas
II. Restaurante
III. Locais de leitura
IV. Cozinhas
V. Quadras esportivas
VI. Sala de aula
VII. Quartos
Lux
( ) 100
( ) 500
( ) 150
( ) 200
( ) 300
( ) 150
( ) 200
A associação CORRETA é:
Tipo de Ambiente
I. Corredores e escadas
II. Restaurante
III. Locais de leitura
IV. Cozinhas
V. Quadras esportivas
VI. Sala de aula
VII. Quartos
Lux
( ) 100
( ) 500
( ) 150
( ) 200
( ) 300
( ) 150
( ) 200
A associação CORRETA é:
Provas
Questão presente nas seguintes provas
Um engenheiro dispunha de duas fontes ideais de tensão CC (corrente contínua), condutores elétricos com resistência r
e uma carga com resistência R. A carga pode ser colocada em qualquer posição entre as duas fontes. Com base nestas informações, o engenheiro solicitou ao seu técnico que montasse o circuito conforme a figura a seguir.
Seja x a distância entre a carga e a fonte V1 e L a distância entre as fontes, determine a tensão V :
e uma carga com resistência R. A carga pode ser colocada em qualquer posição entre as duas fontes. Com base nestas informações, o engenheiro solicitou ao seu técnico que montasse o circuito conforme a figura a seguir.
Seja x a distância entre a carga e a fonte V1 e L a distância entre as fontes, determine a tensão V :
Provas
Questão presente nas seguintes provas
Considere o circuito dado na figura abaixo.
Determine IL ( t ) a partir do instante em que a chave é fechada, sabendo que o circuito estava em condição de regime permanente antes da chave ser fechada:
Determine IL ( t ) a partir do instante em que a chave é fechada, sabendo que o circuito estava em condição de regime permanente antes da chave ser fechada:
Provas
Questão presente nas seguintes provas
Um engenheiro dispõe de 2 wattímetros monofásicos para medir a potência média dissipada por uma carga trifásica equilibrada. Considere os wattímetros ideais e a impedância da linha utilizada para alimentar a carga desprezível. O esquema da montagem é ilustrado na figura a seguir.
Após a montagem do esquema de medição, o engenheiro fez observações a respeito das leituras dos dois wattímetros:
I. Para um fator de potência igual a 0,8, as leituras dos dois wattímetros são positivas.
II. Invertendo a seqüência de fases, as leituras dos dois wattímetros não são alteradas.
III. Para um fator de potência igual a 0,45, a leitura de um dos wattímetros é negativa.
IV. Invertendo as polaridades da bobina de corrente e da bobina de tensão dos wattímetros, suas leituras são invertidas.
Assinale a alternativa CORRETA:
Após a montagem do esquema de medição, o engenheiro fez observações a respeito das leituras dos dois wattímetros:
I. Para um fator de potência igual a 0,8, as leituras dos dois wattímetros são positivas.
II. Invertendo a seqüência de fases, as leituras dos dois wattímetros não são alteradas.
III. Para um fator de potência igual a 0,45, a leitura de um dos wattímetros é negativa.
IV. Invertendo as polaridades da bobina de corrente e da bobina de tensão dos wattímetros, suas leituras são invertidas.
Assinale a alternativa CORRETA:
Provas
Questão presente nas seguintes provas
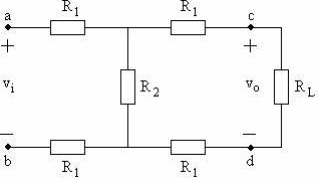
Circuitos com resistores são, às vezes, utilizados como circuitos de controle de volume, também chamados de atenuadores resistivos. A figura a seguir mostra um atenuador fixo típico.
Ao projetar um atenuador, o projetista escolhe os valores de R1 e R2 , de modo que a relação vo/ vi e a resistência vista pela fonte de entrada ab Rab tenham valores especificados. Para Rab = RL , os valores de RL e a relação vo/ vi são:
Ao projetar um atenuador, o projetista escolhe os valores de R1 e R2 , de modo que a relação vo/ vi e a resistência vista pela fonte de entrada ab Rab tenham valores especificados. Para Rab = RL , os valores de RL e a relação vo/ vi são:
Provas
Questão presente nas seguintes provas
A questão refere-se às figuras dadas a seguir (I, II, III e IV).

• o tipo de alimentação
• equipamentos utilizados na instalação
• natureza do local onde fica a instalação
• custos globais
Com base no exposto acima, analise a validade das afirmações a seguir:
I. Quanto à manutenção, indubitavelmente é o esquema TT, por sua simplicidade e por apresentar os custos mais reduzidos.
II. Em instalações onde seja fundamental e indubitável a continuidade no serviço, como em certos setores de hospitais e industrias, deve-se optar pelo esquema IT.
III. No caso de instalações com equipamentos que apresentam elevada vibração mecânica é recomendado o uso do esquema TT.
IV. A literatura especializada aponta como vantagens do esquema TT
• facilidade de proteção
• simplicidade de manutenção
• qualidade da instalação supervisionada pelos DRs (disjuntores diferenciais)
V. O esquema IT é restrito aos casos em que uma primeira falha (exemplo: curto-circuito fase-massa) deve desligar imediatamente a alimentação.
VI. No esquema TT, o percurso de corrente fase-massa inclui a terra, o que eleva muito o valor dessa corrente permitindo a atuação dos dispositivos de proteção, tais como fusíveis e disjuntores.
Assinale a alternativa CORRETA:
Provas
Questão presente nas seguintes provas
A questão refere-se ao circuito mostrado na figura a seguir.
Um indutor de núcleo de ar, durante um ensaio, é ligado a uma fonte de 25 V e 60 Hz, conforme figura acima. Considere que a fonte senoidal, o amperímetro e o wattímetro são ideais. O amperímetro mede 5 A, e a leitura do wattímetro é de 75 W. Determine a resistência efetiva e a indutância da bobina:
Um indutor de núcleo de ar, durante um ensaio, é ligado a uma fonte de 25 V e 60 Hz, conforme figura acima. Considere que a fonte senoidal, o amperímetro e o wattímetro são ideais. O amperímetro mede 5 A, e a leitura do wattímetro é de 75 W. Determine a resistência efetiva e a indutância da bobina:
Provas
Questão presente nas seguintes provas
- Instalações ElétricasAterramentos
- Normas TécnicasNBRsNBR 5410: Instalações Elétricas de Baixa Tensão
A questão refere-se às figuras dadas a seguir (I, II, III e IV).

Provas
Questão presente nas seguintes provas
Associe as colunas que seguem.
I. Fator de utilização
II. Fator de potência
III. Fator de demanda
IV. Fator de carga
( ) Razão entre a demanda média e a demanda máxima da unidade consumidora, ocorridas no mesmo intervalo de tempo especificado.
( ) Razão entre a demanda máxima em um intervalo de tempo especificado e a carga instalada na unidade consumidora.
( ) Razão entre a energia elétrica ativa e a raiz quadrada da soma dos quadrados das energias ativa e reativa, consumidas em um mesmo período especificado.
( ) Razão entre a demanda máxima efetivamente absorvida pelo equipamento e a sua potência nominal.
A associação CORRETA é:
I. Fator de utilização
II. Fator de potência
III. Fator de demanda
IV. Fator de carga
( ) Razão entre a demanda média e a demanda máxima da unidade consumidora, ocorridas no mesmo intervalo de tempo especificado.
( ) Razão entre a demanda máxima em um intervalo de tempo especificado e a carga instalada na unidade consumidora.
( ) Razão entre a energia elétrica ativa e a raiz quadrada da soma dos quadrados das energias ativa e reativa, consumidas em um mesmo período especificado.
( ) Razão entre a demanda máxima efetivamente absorvida pelo equipamento e a sua potência nominal.
A associação CORRETA é:
Provas
Questão presente nas seguintes provas
- Sistemas Elétricos de PotênciaDistribuição de Energia Elétrica
- Sistemas Elétricos de PotênciaSistema Elétrico Brasileiro
Um consumidor rural de energia elétrica, atendido em 220 V, constatou que os equipamentos de conservação e resfriamento de alimentos não operavam adequadamente em sua fazenda. Ao reclamar à empresa que lhe vendeu os equipamentos, ela lhe comunicou que a tensão de alimentação dos equipamentos estava abaixo de 205 V, e que este, também, era o valor da tensão no ponto de entrega. Sendo este o único motivo para a operação inadequada dos equipamentos, pois eles devem operar em 220 V, mas aceitam uma tensão entre 205 V e 225 V.
Com base no texto acima, é CORRETO afirmar:
Com base no texto acima, é CORRETO afirmar:
Provas
Questão presente nas seguintes provas
Cadernos
Caderno Container