Foram encontradas 517 questões.
Considere as seguintes áreas de vivência em um canteiro de obras:
I - vestiário;
II - local de refeições;
III - área de lazer;
IV - lavanderia;
V - instalações sanitárias.
De acordo com a NR18 - Condições e Meio Ambiente de Trabalho na Indústria da Construção, são obrigatórios, exclusivamente no caso de haver trabalhadores alojados, apenas os itens:
Provas
Com relação às estruturas de aço, considere as afirmativas a seguir.
I - Os sistemas planos de elementos bidimensionais são constituídos por chapas dobradas ou reforçadas com enrijecedores soldados.
II - As chapas reforçadas têm, geralmente, inércia maior em uma direção e, por isso, são denominadas placas ortotrópicas.
III - As chapas reforçadas com enrijecedores são muito utilizadas em lajes de pontes com grandes vãos, quando há interesse em reduzir o peso próprio da estrutura.
É(São) correta(s) a(s) afirmativa(s):
Provas
Para corrigir um erro de projeto que não previu o extravasor para a caixa d'água, deve ser providenciada a execução dessa tubulação de forma que a saída da água seja descarregada:
Provas
De acordo com a NBR 8160/99 – Sistemas Prediais de Esgoto Sanitário – Projeto e Execução, o desnível mínimo para um ramal de descarga com 150 mm de diâmetro e 5 m de comprimento, em centímetros, é:
Provas
Em um projeto de instalações de esgoto, a diferença entre a tubulação primária e a tubulação secundária é feita apenas através do(a):
Provas
Com relação aos materiais utilizados nas estruturas de madeira, é correto afirmar que:
Provas
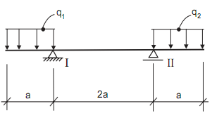
As questões de nos 64, 65 e 66 referem-se aos dados e ao croqui da estrutura isostática a seguir.

Dados:
• Mi = módulo do momento fletor no ponto i;
• Qi = módulo do esforço cortante no ponto i;
• q1, q2 e a são positivos e diferentes de zero.
Se q = q1 = q2 , as reações verticais nos pontos I e II são para:
Provas
As questões de nos 64, 65 e 66 referem-se aos dados e ao croqui da estrutura isostática a seguir.

Dados:
• Mi = módulo do momento fletor no ponto i;
• Qi = módulo do esforço cortante no ponto i;
• q1, q2 e a são positivos e diferentes de zero.
Considerando q2 > q1, pode-se também afirmar corretamente que:
Provas
As questões de nos 64, 65 e 66 referem-se aos dados e ao croqui da estrutura isostática a seguir.

Dados:
• Mi = módulo do momento fletor no ponto i;
• Qi = módulo do esforço cortante no ponto i;
• q1, q2 e a são positivos e diferentes de zero.
Considerando q2 > q1, pode-se afirmar corretamente que:
Provas
As questões de nos 62 e 63 referem-se ao croqui das sapatas S1 e S2 dos pilares P1 e P2, sem escala, e aos dados a seguir.

Dados:
• Tensão admissível do solo ![]()
• Força na base de S1=300 kN e de S2=400 kN;
• Os pilares são concêntricos nas sapatas;
• A1 é a área da base da sapata S1 e A2 a da S2.
Considere as seguintes afirmativas:
I – A1 é quadrada;
II – A1 é retangular;
III – A2 é quadrada;
IV – A2 é retangular;
V – A1 > A2;
VI – A1 = A2;
VII – A1 < A2.
São verdadeiras, apenas, as afirmativas:
Provas
Caderno Container