Foram encontradas 1.716 questões.

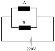
O circuito ilustrado na figura precedente é percorrido por uma corrente elétrica contínua i, e uma fonte elétrica fornece uma diferença de potencial de 220 V aos terminais de uma combinação em paralelo de duas lâmpadas, A e B, com resistências de R !$ \Omega !$ e 2R !$ \Omega !$, respectivamente. Em relação a esse circuito, julgue o item que se segue.
A potência dissipada na lâmpada B é de !$ { \large 48.400 \over R^2} W !$.
Provas

O circuito ilustrado na figura precedente é percorrido por uma corrente elétrica contínua i, e uma fonte elétrica fornece uma diferença de potencial de 220 V aos terminais de uma combinação em paralelo de duas lâmpadas, A e B, com resistências de R !$ \Omega !$ e 2R !$ \Omega !$, respectivamente. Em relação a esse circuito, julgue o item que se segue.
A potência total dissipada nas duas lâmpadas é de !$ { \large 3i^2 \over 2 R} W !$.
Provas

O circuito ilustrado na figura precedente é percorrido por uma corrente elétrica contínua i, e uma fonte elétrica fornece uma diferença de potencial de 220 V aos terminais de uma combinação em paralelo de duas lâmpadas, A e B, com resistências de R !$ \Omega !$ e 2R !$ \Omega !$, respectivamente. Em relação a esse circuito, julgue o item que se segue.
A corrente elétrica que passa na lâmpada A é de 220R A.
Provas

O circuito ilustrado na figura precedente é percorrido por uma corrente elétrica contínua i, e uma fonte elétrica fornece uma diferença de potencial de 220 V aos terminais de uma combinação em paralelo de duas lâmpadas, A e B, com resistências de R !$ \Omega !$ e 2R !$ \Omega !$, respectivamente. Em relação a esse circuito, julgue o item que se segue.
A resistência elétrica equivalente do circuito é de !$ \left ( { \large 3 \over 2 R} \right)^{-1} \Omega !$.
Provas
Julgue o próximo item, considerando a hipótese de que, em uma residência, exista um chuveiro elétrico instalado com potência nominal de 4,4 kW.
Se, na residência em questão, o valor cobrado pelo quilowatt-hora for de R$ 0,70, então a utilização desse chuveiro elétrico durante 10 min por dia, durante o período de 30 dias, gerará um custo de R$ 15,40.
Provas
Julgue o seguinte item, concernentes a hidrostática.
O fluido é definido como um tipo de material incapaz de resistir a tensões de cisalhamentos, por isso, para fluidos em repouso, há somente a presença de tensões normais.
Provas
Julgue o seguinte item, concernentes a hidrostática.
Considere-se que um bloco com 10 kg de massa e densidade de 5 × 103 kg/m3 seja suspenso por um dinamômetro e esteja totalmente mergulhado em um fluido de densidade desconhecida, e que a escala no dinamômetro indique 20 N. Nessa situação, a densidade do fluido é de 1.000 kg/m3.
Provas
Julgue o seguinte item, concernentes a hidrostática.
Suponha-se que um elevador hidráulico seja acionado por um cilindro de área 2 × 10−5 m2 e aloque uma carga com 50 kg de massa sobre um êmbolo de área 2 × 10−3 m2. Nesse caso, adotando-se a aceleração da gravidade como g = 10 m/s2, o deslocamento teoricamente sofrido pelo êmbolo menor para elevar em 1 m a carga será também de 1 m.
Provas
No que se refere ao aço-carbono, julgue o item a seguir.
São chamadas de aços as ligas ferro-carbono com até 2% de carbono, e são denominadas ferros fundidos as ligas com teor de carbono superior a 2%.
Provas
No que se refere ao aço-carbono, julgue o item a seguir.
A ferrita presente na perlita é chamada de ferrita proeutetoide, e a ferrita formada antes do atingimento da temperatura do eutetoide é chamada de ferrita eutetoide.
Provas
Caderno Container