Foram encontradas 100 questões.
Julgue o próximo item, acerca de máquinas síncronas.
Em um alternador, o enrolamento do rotor é denominado enrolamento de armadura.
Provas
Considerando um transformador de potência trifásico de 138 kV/13,8 kV, em frequência de 60 Hz, com conexão em Y no lado de alta tensão e que opera como abaixador de tensão e com carga nominal, julgue o seguinte item.
Se o secundário tiver conexão em triângulo em vez de conexão em Y, as tensões de 180 Hz aplicadas à carga serão maiores.
Provas
Considerando um transformador de potência trifásico de 138 kV/13,8 kV, em frequência de 60 Hz, com conexão em Y no lado de alta tensão e que opera como abaixador de tensão e com carga nominal, julgue o seguinte item.
Nesse tipo de transformador, existem perdas por efeito Joule.
Provas
Considerando um transformador de potência trifásico de 138 kV/13,8 kV, em frequência de 60 Hz, com conexão em Y no lado de alta tensão e que opera como abaixador de tensão e com carga nominal, julgue o seguinte item.
Se a corrente de linha do lado de baixa tensão for igual a (1.156/138) A, a potência aparente nominal do transformador será de aproximadamente 200 kVA.
Provas
Considerando um transformador de potência trifásico de 138 kV/13,8 kV, em frequência de 60 Hz, com conexão em Y no lado de alta tensão e que opera como abaixador de tensão e com carga nominal, julgue o seguinte item.
A corrente nominal de fase no lado de alta tensão é igual a 10% da corrente nominal de fase do lado de baixa tensão.
Provas
Considerando um transformador de potência trifásico de 138 kV/13,8 kV, em frequência de 60 Hz, com conexão em Y no lado de alta tensão e que opera como abaixador de tensão e com carga nominal, julgue o seguinte item.
A corrente nominal de linha do lado de alta tensão é igual a 10% da corrente nominal de linha do lado de baixa tensão.
Provas
A respeito da teoria eletromagnética, julgue o item a seguir.
A lei de Faraday descreve o fenômeno da indução eletromagnética, concluindo que a força eletromotriz induzida em um condutor elétrico pela variação de fluxo magnético que o concatena terá sentido que se oponha à variação desse fluxo.
Provas
A respeito da teoria eletromagnética, julgue o item a seguir.
A lei de Lenz é uma generalização da lei de Ampère, associando a geração de campo magnético à circulação de corrente elétrica.
Provas
A respeito da teoria eletromagnética, julgue o item a seguir.
O campo magnético produzido pela corrente elétrica que circula em uma bobina de cobre depende do número de espiras da bobina e da magnitude da corrente.
Provas

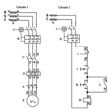
Considerando um motor acionado pelos circuitos indicados na figura precedente, julgue o item seguinte.
O esquemático apresentado é recomendado para uma partida de motor elétrico com chave compensadora.
Provas
Caderno Container