Magna Concursos

Foram encontradas 120 questões.

3474866 Ano: 2024
Disciplina: Engenharia Civil
Banca: CESPE / CEBRASPE
Orgão: STJ

Acerca do tratamento de resíduos da construção civil, julgue o próximo item.

Resíduos da construção civil poderão ser dispostos, provisoriamente, em aterros de resíduos sólidos urbanos ou em áreas de bota-fora, desde que haja autorização por parte do órgão municipal competente.

 

Provas

Questão presente nas seguintes provas
3474863 Ano: 2024
Disciplina: Engenharia Civil
Banca: CESPE / CEBRASPE
Orgão: STJ

Em relação às sondagens de terrenos e à locação de obras, julgue os seguintes itens.

O uso da trena é dispensável quando se utiliza, na locação de uma edificação, uma estação total, instrumento eletrônico que fornece medidas lineares e angulares com grande exatidão.

 

Provas

Questão presente nas seguintes provas
3474861 Ano: 2024
Disciplina: Engenharia Civil
Banca: CESPE / CEBRASPE
Orgão: STJ

A respeito do controle na execução de obras e serviços de engenharia, bem como da documentação técnica constante de contratos de obras de edificações, julgue os itens a seguir.

O caderno de encargos é um documento, elaborado pelo projetista, que descreve todos os materiais, equipamentos e serviços necessários para a execução da obra.

 

Provas

Questão presente nas seguintes provas
3474859 Ano: 2024
Disciplina: Engenharia Civil
Banca: CESPE / CEBRASPE
Orgão: STJ

Acerca da fiscalização e das medições de obras públicas, julgue os itens que se seguem.

A remuneração de obras contratadas pelo regime de contratação semi-integrada é orientada por preços unitários, cuja medição decorre da execução de quantidades de itens unitários.

 

Provas

Questão presente nas seguintes provas
3474857 Ano: 2024
Disciplina: Engenharia Civil
Banca: CESPE / CEBRASPE
Orgão: STJ

Acerca da fiscalização e das medições de obras públicas, julgue os itens que se seguem.

Para evitar danos ao erário, quando houver controvérsia a respeito das quantidades e(ou) da qualidade da execução de algum serviço ou parte da obra objeto do contrato, o pagamento pela execução dos serviços, inclusive da parcela incontroversa, só poderá ser liberado após o recebimento definitivo da obra.

 

Provas

Questão presente nas seguintes provas
3474856 Ano: 2024
Disciplina: Engenharia Civil
Banca: CESPE / CEBRASPE
Orgão: STJ

Acerca de planejamento e programação de obras, julgue os itens a seguir.

Os encargos sociais são parte integrante do orçamento de uma obra, sendo calculados a partir da consideração de despesas com obrigações trabalhistas, como INSS e FGTS, e despesas referentes à remuneração de tempo não trabalhado, como férias, 13.º salário, licenças e abonos.

 

Provas

Questão presente nas seguintes provas
3474851 Ano: 2024
Disciplina: Engenharia Civil
Banca: CESPE / CEBRASPE
Orgão: STJ

A respeito de instalações prediais e seus respectivos projetos, julgue os próximos itens.

A tubulação de aviso de extravasão é o conjunto de componentes destinados a conduzir, quando superado o nível de transbordamento, parte do excesso de água a um local visível, gerando o alerta da existência de falha no componente destinado ao controle da entrada de água e à manutenção do nível desejado no interior de um reservatório.

 

Provas

Questão presente nas seguintes provas
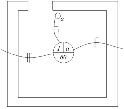
3474850 Ano: 2024
Disciplina: Engenharia Civil
Banca: CESPE / CEBRASPE
Orgão: STJ

A respeito de instalações prediais e seus respectivos projetos, julgue os próximos itens.

Na figura abaixo, estão representadas de forma correta as instalações elétricas de alimentação e de acionamento de uma luminária.

Enunciado 4039974-1

 

Provas

Questão presente nas seguintes provas
3474849 Ano: 2024
Disciplina: Engenharia Civil
Banca: CESPE / CEBRASPE
Orgão: STJ

A respeito de instalações prediais e seus respectivos projetos, julgue os próximos itens.

A ventilação de um sistema de esgotamento sanitário tem como funções preservar o fecho hídrico, conduzir gases para a atmosfera e aliviar sobrepressões nos elementos constituintes do sistema.

 

Provas

Questão presente nas seguintes provas
3474846 Ano: 2024
Disciplina: Engenharia Civil
Banca: CESPE / CEBRASPE
Orgão: STJ

A respeito de instalações prediais e seus respectivos projetos, julgue os próximos itens.

O sistema de combate a incêndio por chuveiros automáticos (sprinklers) com tubulação molhada pode ser alimentado por reservatório elevado, desde que este seja de uso exclusivo do referido sistema.

 

Provas

Questão presente nas seguintes provas