Foram encontradas 120 questões.
A respeito de máquinas elétricas, dispositivos magnéticos e dos vários conceitos associados a esses elementos, julgue o item a seguir.
Os transformadores operam de forma adequada se estiverem diretamente ligados a uma fonte de alimentação de corrente contínua ou de corrente alternada.
Provas
- EletrotécnicaCircuitos Elétricos em Eletricidade
- EletrotécnicaCircuitos de Corrente Contínua e de Corrente Alternada
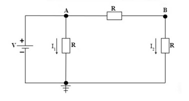
O circuito mostrado na figura a seguir é constituído de uma fonte de tensão V ideal, em corrente contínua, e três resistores de resistências iguais a R.

A potência fornecida pela fonte ao circuito é igual a VI2/3.
Provas
A respeito de máquinas elétricas, dispositivos magnéticos e dos vários conceitos associados a esses elementos, julgue o item a seguir.
Em um transformador trifásico com um conjunto de três enrolamentos conectados na configuração triângulo ou estrela, em um de seus lados, as tensões de linha e de fase associadas à configuração assumem valores eficazes nominais distintos.
Provas
- EletrotécnicaCircuitos Elétricos em Eletricidade
- EletrotécnicaCircuitos de Corrente Contínua e de Corrente Alternada
No que se refere a propagação de ondas, antenas, potência de transmissão e sistemas de comunicação sem fio, julgue o item que se segue.
No caso de máxima transferência de potência à antena de impedância resistiva R0 no circuito da figura a seguir, o transmissor gerará uma tensão V0 = Vg/4.

Provas
Um dispositivo diferencial residual (DR) é utilizado para proteger de possíveis sobrecorrentes as cargas conectadas no circuito.
Provas
Em uma instalação elétrica predial, é essencial a presença de dispositivos de proteção. A respeito desses dispositivos, julgue o item subsequente.
Para a proteção contra sobrecargas, a corrente nominal do dispositivo de proteção deve ser menor que a capacidade de condução de corrente dos condutores.
Provas

A figura precedente mostra um trecho gráfico retirado de um diagrama de circuito de uma instalação predial. Considerando essa figura, que caracteriza um eletroduto e outros elementos, julgue o item que se segue.
Há um condutor de fase no eletroduto.
Provas
Em uma instalação elétrica predial, é essencial a presença de dispositivos de proteção. A respeito desses dispositivos, julgue o item subsequente.
Os disjuntores termomagnéticos em caixa moldada são utilizados para proteção e manobra de circuitos terminais ou de distribuição montados em quadros de distribuição padronizados.
Provas
A velocidade de rotação com que os motores de indução trifásicos operam depende da frequência da rede elétrica.
Provas

A figura precedente mostra um trecho gráfico retirado de um diagrama de circuito de uma instalação predial. Considerando essa figura, que caracteriza um eletroduto e outros elementos, julgue o item que se segue.
O eletroduto conduz dois condutores (cabos) de retorno para interruptor de iluminação.
Provas
Caderno Container