Foram encontradas 229 questões.
O comprimento de onda (λ) da onda descrita pela equação a seguir é, em unidades do (SI): adote π =3,14 nos cálculos.
y(x, t) = 0,02 cos(0,25x - 50t + π/3)
Provas
Provas
Provas
- EletromagnetismoElétricaEletricidade
- EletromagnetismoElétricaForça Elétrica, Campo Elétrico e Eletrização
A figura a seguir, ilustra uma versão simplificada do aparato que foi utilizado no estudo do efeito:

Provas
O comprimento de onda (λ) de De Broglie de um
elétron cuja energia cinética é 100 eV é, em
:
considere os seguintes dados:
1
= 10-10 m , h = 6,6 x 10-34 J ˑ s ,
1 eV = 1,6 x 10-19 J, √29 ≅ 5,4 .
Provas
Em óptica geométrica, grande parte dos resultados obtidos, ocorre mediante aproximação chamada paraxial, ou seja, para pequenos ângulos. Na figura a seguir, uma lâmpada encontra-se posicionada em frente de um espelho esférico; os raios de luz saindo da lâmpada seguem a trajetória indicada, pois ela está situada:

Provas
Na figura a seguir, pode-se ver várias esferas rolando nos diferentes níveis de uma rampa em degraus. Designando a energia potencial gravitacional de uma esfera por Ep, é correto então afirmar que:

Provas
No próximo desenho, o bloco de massa m, encontra-se em equilíbrio estático em um plano inclinado, ou seja, está na iminência de escorregar. Para um ângulo Φ= 45, o coeficiente de átrio estático (μE) nesse caso será então de:

Provas
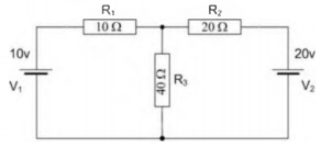
- EletromagnetismoElétricaCircuitos Elétricos Especiais: Leis de Kirchhoff e Ponte de Wheatstone
- EletromagnetismoElétricaEletricidade

Provas
As correntes, medidas em ampères, cruzando os resistores R1, R2 e R3 no circuito a seguir, são aproximadamente de:

Provas
Caderno Container