Foram encontradas 855 questões.
Quanto ao fator de potência sobre um indutor ideal, é correto afirmar que
Provas
Um engenheiro foi chamado para avaliar a condição de trabalho de três transformadores ligados em paralelo, alimentando uma carga de 2000 kVA.
Sabe-se que as potências nominais e impedâncias percentuais dos transformadores são:
Trafo 1: 600 kVA e 3%.
Trafo 2: 800 kVA e 4%.
Trafo 3: 800 kVA e 5%.
Com base no exposto, o valor do módulo da distribuição percentual de carga no transformador 2 e sua condição de trabalho são:
Provas
A norma NBR 5410:2004 apresenta tabelas que listam a capacidade de condução de corrente para cabos de cobre e alumínio com isolação em PVC e em EPR/XLPE. Assinale a alternativa que apresenta os valores de temperatura nos condutores de PVC e EPR/XLPE, respectivamente, utilizados como referência para a construção dessas tabelas.
Provas
Sobre a partida de motores por meio de chave compensadora, conhecida como partida compensada, é correto afirmar que
Provas
Em relação aos resistores, ou impedâncias de aterramento, utilizados em subestações, assinale a alternativa correta.
Provas
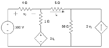
Para o circuito da seguinte figura, o valor do módulo da corrente sobre o resistor de 50 !$ \Omega !$ é de

Provas
Calcule o fator de sobrecarga de uma chave seccionadora unipolar de 500 A / 15 kV, instalada em rede aérea.
Dados: Temperatura ambiente: 30°C.
Temperatura permissível no ponto mais quente: 70°C.
Provas
Um engenheiro recebeu um diagrama de comando de um sistema de partida de um motor elétrico. Nesse diagrama, havia elementos identificados pelas letras F, K e S.
É correto afirmar que essas letras se referem, respectivamente, a
Provas
A Tabela a seguir lista os valores dos componentes harmônicos de tensão, obtidos da leitura de um analisador de energia instalado em uma indústria.
| Componente | Valor eficaz (V) |
| 1 | 127 |
| 2 | 3,5 |
| 3 | 10 |
| 4 | 1,5 |
| 5 | 3 |
| 6 | 5 |
| 7 | 6 |
| 8 | 0,1 |
| 9 | 2,3 |
| 10 | 1,3 |
| 11 | 2,2 |
Considere o estabelecido pelo PRODIST, Módulo 8, da ANEEL, e assinale a alternativa com o valor da DTTP%.
Provas
Sobre os tipos de motores elétricos, assinale a alternativa correta.
Provas
Caderno Container