Magna Concursos

Foram encontradas 1.045 questões.

187080 Ano: 2018
Disciplina: Eletroeletrônica
Banca: FCC
Orgão: SABESP
Um motor trifásico de indução de 10 CV, 220 V, 60 Hz instalado em empreendimento comercial em São Paulo aciona uma bomba de recalque na rotação de 1.164 rpm. O número de polos e o escorregamento percentual do motor são respectivamente:
 

Provas

Questão presente nas seguintes provas
187079 Ano: 2018
Disciplina: Eletroeletrônica
Banca: FCC
Orgão: SABESP
Um galvanômetro com resistência interna de 0,5 Ω e fundo de escala de 1,5 A deverá ser empregado para medir corrente contínua com valor máximo de 3,0 A. Nestas condições, qual deverá ser o valor da resistência shunt a ser empregada?
 

Provas

Questão presente nas seguintes provas
187078 Ano: 2018
Disciplina: Eletroeletrônica
Banca: FCC
Orgão: SABESP
O disjuntor termomagnético de baixa tensão é um dispositivo eletromecânico, instalado nos quadros de distribuição de residenciais com as finalidades de
 

Provas

Questão presente nas seguintes provas
187077 Ano: 2018
Disciplina: Eletroeletrônica
Banca: FCC
Orgão: SABESP
No projeto de instalação elétrica industrial, o conhecimento dos valores das correntes nos diversos circuitos é essencial para os dimensionamentos das proteções elétricas contra sobrecorrentes, curto-circuitos, choques elétricos, dentre outros. Considerando alguns elementos de proteções elétricas, a afirmação mais adequada neste contexto é:
 

Provas

Questão presente nas seguintes provas
187076 Ano: 2018
Disciplina: Eletroeletrônica
Banca: FCC
Orgão: SABESP
Necessita-se aplicar um instrumento para medir o valor da tensão de linha de uma instalação MT, da ordem de 13,8 kV. Para executar tal procedimento, considerando a questão de segurança, o instrumento mais adequado é
 

Provas

Questão presente nas seguintes provas
187075 Ano: 2018
Disciplina: Eletroeletrônica
Banca: FCC
Orgão: SABESP
O motor trifásico de uma máquina possui o sistema de comutação automática tipo estrela − triângulo. Nesse sistema,
 

Provas

Questão presente nas seguintes provas
187074 Ano: 2018
Disciplina: Eletroeletrônica
Banca: FCC
Orgão: SABESP
O diagrama representado é configurado para acionamento e proteção de um motor trifásico.
Enunciado 187074-1

É correto afirmar que
 

Provas

Questão presente nas seguintes provas
187073 Ano: 2018
Disciplina: Eletroeletrônica
Banca: FCC
Orgão: SABESP
A norma brasileira NBR 5410 − Instalações Elétricas de Baixa Tensão estabelece as condições a que devem satisfazer as instalações elétricas de baixa tensão, a fim de garantir a segurança de pessoas e animais, o funcionamento adequado da instalação e a conservação dos bens. Os equipamentos de proteção (EPI) mais adequados para garantir a segurança dos trabalhadores envolvidos em obras de instalações elétricas são
 

Provas

Questão presente nas seguintes provas
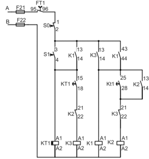
187072 Ano: 2018
Disciplina: Eletroeletrônica
Banca: FCC
Orgão: SABESP
O diagrama representa o circuito de comando partida e proteção de motor trifásico com chave estrela/triângulo.
Enunciado 187072-1 Dados: K1, K2, K3: Contatores FT1: Relé de sobrecarga térmico F21, F22: Fusíveis de comando S0, S1: Botões de comando KT1: Relé eletrônico temporizador Y-Δ
É correto afirmar que
 

Provas

Questão presente nas seguintes provas
187071 Ano: 2018
Disciplina: Eletroeletrônica
Banca: FCC
Orgão: SABESP
Nos sistemas de distribuição de energia são utilizados transformadores com a finalidade de
 

Provas

Questão presente nas seguintes provas