Foram encontradas 1.045 questões.
Considere o instrumento abaixo denominado micrômetro prato.

É utilizado especificamente para medir
Provas
Questão presente nas seguintes provas
Considere a figura abaixo.

Trata-se de um instrumento de medida chamado de
Provas
Questão presente nas seguintes provas
Tubulações soldadas de aço carbono que trabalham com temperaturas entre 40 °C e 70 °C e, em presença de álcalis (que
contenham soda cáustica ou soluções de soda) em seu exterior
Provas
Questão presente nas seguintes provas
O processo de fabricação em que o metal líquido é vazado no interior de um molde, permitindo produzir peças de formas complexas, é
Provas
Questão presente nas seguintes provas
São vestimenta e EPIs recomendados para operadores em um processo de oxicorte:
Provas
Questão presente nas seguintes provas
A chama oxiacetilênica possui um cone interno bem definido, de um branco intenso, sendo bastante empregada para soldar e
aquecer, e gera uma atmosfera de proteção da solda. Esta chama é denominada
Provas
Questão presente nas seguintes provas
A figura abaixo ilustra:

Provas
Questão presente nas seguintes provas
Considere o circuito pneumático da figura abaixo.

O cilindro avança
Provas
Questão presente nas seguintes provas
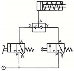
Analise o circuito da figura abaixo.

O cilindro
Provas
Questão presente nas seguintes provas
Considere a figura abaixo.

Em relação ao processo de desenvolvimento de chapas, o valor da medida indicada por N corresponde a
Provas
Questão presente nas seguintes provas
Cadernos
Caderno Container