Foram encontradas 215 questões.
De acordo com Cervelin e Cavalin (2008, p. 275), “estamos cercados de eletricidade por todos os lados. A eletricidade, por ser invisível, percebemos somente os seus efeitos. Esses efeitos são possíveis devido à existência de grandezas elétricas muito importantes, que são: corrente elétrica, tensão elétrica, resistência elétrica e potência elétrica”.
Julgue as assertivas abaixo que versam a respeito dessas Grandezas Fundamentais da Eletricidade, como verdadeiras (V) ou falsas (F).
( ) A unidade da corrente elétrica é o àmpere (A).
( ) A resistência elétrica é a pressão que impulsiona os elétrons livres nos condutores.
( ) Nos materiais condutores, a corrente elétrica não consegue uma fácil circulação.
( ) Pela potência elétrica é possível determinar a especificação dos equipamentos elétricos.
A sequência que completa corretamente os parênteses é:
Provas
Disciplina: Administração de Recursos Materiais
Banca: SAGAZ
Orgão: SAAE Oliveira-MG
- Classificação de MateriaisTipos de Classificação de MateriaisAplicação, Perecibilidade e Periculosidade
Administrar um almoxarifado é uma tarefa que envolve transparência e cuidado, sobretudo, porque se trata do local em que estão guardados os ativos financeiros das organizações. Assinale a alternativa que traz uma conduta incorreta do almoxarife em seu ambiente de trabalho:
Provas
Disciplina: Administração de Recursos Materiais
Banca: SAGAZ
Orgão: SAAE Oliveira-MG
- Classificação de MateriaisTipos de Classificação de MateriaisClassificação por Tipo de Demanda
- Classificação de MateriaisTipos de Classificação de MateriaisAplicação, Perecibilidade e Periculosidade
O Almoxarifado é o setor responsável não somente por guardar, mas por conservar os materiais e manter os produtos estocados. Em se tratando do Almoxarifado, este deverá:
Provas
De acordo com a Norma ISO 45001 (2018, p. 06), “[...] a adoção de um sistema de gestão e segurança ocupacional (SSO) destina-se a permitir que uma organização forneça locais de trabalho seguros e saudáveis, evite lesões e problemas de saúde relacionados ao trabalho e melhore continuamente seu desempenho”.
A quem compete a responsabilidade de implantar um Sistema de Gestão de Segurança e Saúde Ocupacional?
Provas
A NBR 5410:2008 orienta que os componentes de uma instalação elétrica devem ser escolhidos usando medidas de proteção que garantam a segurança e o seu funcionamento adequado. A respeito desses componentes, assinale a alternativa incorreta.
Provas
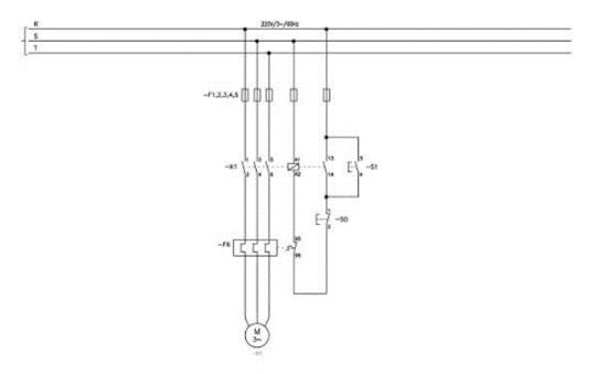
Os diagramas são desenhos/esquemas que representam os quadros de distribuição e podem ser de tipos distintos. A imagem abaixo representa qual tipo de diagrama?

Provas
Disciplina: Administração de Recursos Materiais
Banca: SAGAZ
Orgão: SAAE Oliveira-MG
Para Paoleschi (2009), o leiaute, também chamado de arranjo físico, tem como principal fim o planejamento e a integração dos componentes de um produto, para que exista eficiência e economia entre três partes importantes: pessoas, equipamentos e materiais. Marque a alternativa que contempla corretamente um dos princípios gerais do leiaute:
Provas
A NBR 5410:2008 (2008, p. 168) estabelece que “[...] a periodicidade da manutenção deve ser adequada a cada tipo de instalação. Por exemplo, essa periodicidade deve ser tanto menor quanto maior a complexidade da instalação”. Para tanto, deve existir uma manutenção preventiva sempre que possível. Assinale a alternativa que comporta uma conduta errônea de verificação de rotina.
Provas
Disciplina: Administração de Recursos Materiais
Banca: SAGAZ
Orgão: SAAE Oliveira-MG
- Classificação de MateriaisAtributos para a Classificação de Materiais
- Classificação de MateriaisTipos de Classificação de MateriaisAplicação, Perecibilidade e Periculosidade
De acordo com Martins (2009, p. 174), “_________________ são uma representação gráfica da variação do estoque de um item (ou vários) em função do tempo, bastante utilizados pelas empresas e muitas vezes são chamados de dente de serra”.
Qual item completa essa sentença?
Provas
Abaixo constam definições de instrumentos de medição elétrica, que são aparelhos utilizados com o fim de conhecer, de forma prática, os valores das grandezas elétricas presentes nos circuitos. Assinale a alternativa que representa a definição do Amperímetro Alicate.
Provas
Caderno Container