Foram encontradas 330 questões.
Considere um motor de 6 HP de potência mecânica, operando a plena carga, com rendimento de 0,8, e fator de potência 0,7. A potência elétrica ativa solicitada por esse motor, em Watts, é
Dado: 1 HP = 746 W
Provas
Um motor shunt de corrente contínua é utilizado no atendimento de determinada carga mecânica em uma indústria. Esse motor possui uma resistência de armadura de 0,2 ohm, sendo alimentado por uma tensão de 100 V aplicada nos terminais da armadura. A rotação do motor produz uma fcem de 90 V. Considerando que a corrente de armadura é de 30 A, o valor da queda de tensão nas escovas, em volts, é
Provas
Os motores de Corrente Contínua ainda são muito utilizados em plantas industriais. A característica desse tipo de máquina é a facilidade de variar sua velocidade sem a adição de dispositivos apropriados. Para aumentar a velocidade de um motor CC, deve-se aumentar a
Provas
Em uma dada instalação elétrica, adotou-se, por meio de um transformador de isolação, o esquema IT de aterramento, em parte da instalação. Para garantir as vantagens que esse esquema proporciona, faz-se necessária a utilização de um dispositivo denominado
Provas
Os instrumentos utilizados para a realização de medidas elétricas podem ser classificados de acordo com o modo de indicação das grandezas medidas. Dessa forma, são considerados instrumentos indicadores e acumuladores, respectivamente, os
Provas
Um técnico necessita medir a potência em uma carga elétrica monofásica. Como não dispunha de um wattímetro, ele mediu, na carga, a tensão com um voltímetro, e a corrente com um amperímetro.
A esse respeito, conclui-se que a potência medida é
Provas

A figura acima apresenta um circuito senoidal que mostra uma fonte de tensão fasorial !$ \dot{\text{V}} !$ alimentando uma carga puramente indutiva, representada pela impedância Z = jX. O fasor !$ \dot{\text{I}} !$ representa a corrente elétrica do circuito.
A potência ativa P e reativa Q, absorvidas pela carga Z, assumem, respectivamente, as seguintes dimensões:
Provas

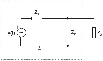
Dados:
Z1 = j1 !$ \Omega !$
Z2 = 1 - j1 !$ \Omega !$
Z3 = 1 + j2 !$ \Omega !$
!$ \text{v(t)} = 10 \text{cos}\biggl ( 10\text{t} + \dfrac {\pi} 6\biggr ) \text{V} !$
Considere o circuito senoidal acima representado na forma complexa. O valor do fasor de tensão, em volts, do equivalente Thevenin, correspondente ao circuito no interior da caixa pontilhada, é
Provas

Considere o circuito CC da figura acima operando em regime permanente. A potência dissipada no resistor de 10 !$ \Omega !$, em watts, é
Provas

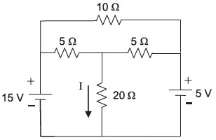
O circuito resistivo da figura acima é alimentado com duas fontes de tensão CC. Considerando-se os valores dos componentes indicados na figura, a corrente elétrica I, em ampères, é
Provas
Caderno Container