Foram encontradas 30 questões.
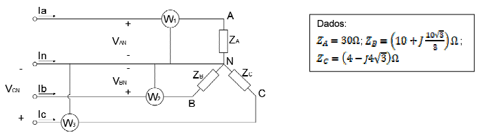
Três wattímetros W1, W2 e W3 são interligados, respectivamente, às fases a, b e c para medir a potência total absorvida pela carga conectada em estrela desequilibrada, conforme figura a seguir. 
Fonte: O autor, 2023.
Considerando que essa carga possui tensões equilibradas de 120 V e a sequência acb, assinale a alternativa que apresenta a potência total absorvida (PT).

Fonte: O autor, 2023.
Considerando que essa carga possui tensões equilibradas de 120 V e a sequência acb, assinale a alternativa que apresenta a potência total absorvida (PT).
Provas
Questão presente nas seguintes provas
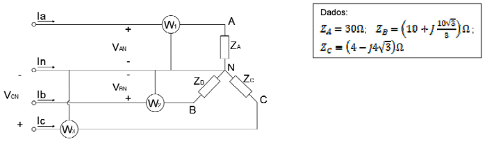
Três wattímetros W1, W2 e W3 são interligados, respectivamente, às fases a, b e c para medir a potência total absorvida pela carga conectada em estrela desequilibrada, conforme a figura a seguir.

Fonte: O autor, 2023.
Levando em conta que essa carga possui tensões equilibradas de 120 V e a sequência acb, assinale a alternativa que apresenta a corrente neutra (In) na forma retangular.

Fonte: O autor, 2023.
Levando em conta que essa carga possui tensões equilibradas de 120 V e a sequência acb, assinale a alternativa que apresenta a corrente neutra (In) na forma retangular.
Provas
Questão presente nas seguintes provas
Um motor de indução trifásico possui as seguintes especificações: 5 HP, 220 V, 4 polos, ligado em estrela, frequência de 60 Hz. Considerando um escorregamento de 3%, assinale a alternativa que apresenta a velocidade de rotação do eixo do motor.
Provas
Questão presente nas seguintes provas
Uma carga monofásica, ao entrar em funcionamento, possui impedância de
e potência aparente de 20 kVA. Levando em conta um rendimento de 0,85 para essa carga, determine a sua potência útil, em W.
Provas
Questão presente nas seguintes provas
A norma NBR 14039 determina que, quando a subestação de transformação fizer parte integrante da edificação residencial e/ou comercial, é permitido
Provas
Questão presente nas seguintes provas
Conforme a ABNT NBR 14039:2021, a qual estabelece procedimentos para a construção e a manutenção de subestações, devem ser fixadas placas com os dizeres
Provas
Questão presente nas seguintes provas
A ABNT NBR 14039:2021 estabelece um sistema para o projeto e a execução de instalações elétricas de média tensão, com tensão nominal de 1,0 kV a 36,2 kV, à frequência industrial, de modo a garantir segurança e continuidade de serviço. Um dos aterramentos considerados nessa norma é mostrado na figura a seguir:

Fonte: ABNT NBR 14039:2021.
Esse sistema de aterramento refere-se ao

Fonte: ABNT NBR 14039:2021.
Esse sistema de aterramento refere-se ao
Provas
Questão presente nas seguintes provas
É possível estimar o consumo de energia elétrica por meio do tempo de uso e da potência nominal dos principais aparelhos utilizados. A unidade de medida frequentemente utilizada pelas concessionárias é o quilowatt-hora (KWh). Considere somente os aparelhos indicados na tabela a seguir para a estimativa do consumo mensal de uma residência.

Fonte: O autor, 2023.
Nesse cenário, qual é a energia total consumida (em KWh)?

Fonte: O autor, 2023.
Nesse cenário, qual é a energia total consumida (em KWh)?
Provas
Questão presente nas seguintes provas
Em uma residência atendida pela CEMIG, cuja frequência elétrica é de 60 Hz em corrente alternada, o voltímetro do eletricista Kesley lê a voltagem RMS (raiz média quadrática) de 220 V. O valor da voltagem RMS (VRMS) pode ser calculado por meio da expressão a seguir:
Logo, o valor da tensão de pico (Vp) é, aproximadamente, igual a
Logo, o valor da tensão de pico (Vp) é, aproximadamente, igual a
Provas
Questão presente nas seguintes provas
De acordo com o Módulo 11 dos Procedimentos de Distribuição (PRODIST) de Energia Elétrica no Sistema Elétrico Nacional, é informação obrigatória na fatura de energia elétrica:
Provas
Questão presente nas seguintes provas
Cadernos
Caderno Container