Foram encontradas 715 questões.
A Figura abaixo apresenta um conjunto de curvas para um SPDA aplicados ao método do ângulo de proteção:

O ângulo de proteção do captor de um sistema de proteção contra descargas atmosféricas (SPDA) de uma edificação que está a 15m em relação ao plano de referência é de 500 (valores estipulados pelo projetista).
A proteção, neste caso, somente seria possível para a(s) Classe(s) de proteção:
Provas
Na situação em que o licitante vencedor não aceitar a contratação nos termos apresentados, a Administração deverá:
Provas
A respeito do processo licitatório, observado na Lei nº 14.133 de 2021, é correto o que se apresenta em
Provas
Dois transformadores reais idênticos com potência de 250kVA, tensão do primário de 20kV e secundário de 50V tem seus enrolamentos primários conectados em série e os enrolamentos secundários em paralelo.
As correntes elétricas no primário e secundário dessa associação são respectivamente iguais a:
Provas
Foram verificadas, para um consumidor, 30 medidas de níveis de tensão entre fases situadas na faixa precária.
Para esse caso, o indicador de tensão em regime permanente denominada de Duração Relativa da Transgressão de Tensão Precária – DRP é igual a:
Provas
Considere as afirmativas abaixo a respeito do Building Information Modeling – BIM:
I. Um projeto em 3D corresponde ao primeiro nível da modelagem BIM.
II. O Revit é uma plataforma para criação e documentação dos projetos para a modelagem BIM.
III. Objetos paramétricos são aqueles utilizados no projeto com informações técnicas, quantidades, informações sobre as fases de execução e manutenção.
É correto somente o que se apresenta em:
Provas
O esquema de aterramento para os circuitos terminais em instalações elétricas de baixa tensão residencial é o:
Provas
Considere as afirmativas abaixo a respeito da qualidade do serviço de distribuição de energia elétrica:
I. A duração da Interrupção Individual ocorrida em Dia Crítico deve ser considerada na análise da continuidade de serviço.
II. A duração e frequência das interrupções são indicadores da continuidade de serviço.
III. Os indicadores da continuidade de serviço devem ser verificados semestralmente.
É correto somente o que se apresenta em:
Provas
Um motor com 4 polos alimentado por uma fonte de 50Hz possui rotação de 1488rpm.
O seu escorregamento é:
Provas
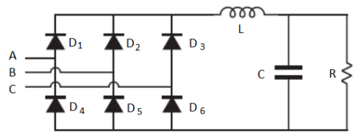
A figura abaixo apresenta um retificador trifásico não controlado:

Considere as afirmativas a respeito desse retificador:
I. A tensão sobre o resistor possui 6 pulsos no período de 2!$ \pi !$ das tensões de fase.
II. O período da função da tensão sobre a carga é de !$ \pi !$/6 s.
III. As correntes de fase possuem período de !$ \pi !$ s.
É correto somente o que se apresenta em:
Provas
Caderno Container