Magna Concursos

Foram encontradas 820 questões.

1209158 Ano: 2022
Disciplina: Engenharia Elétrica
Banca: UNIOESTE
Orgão: Pref. Santo Antonio Platina-PR
Provas:
Um circuito trifásico simples (3F + N) alimenta uma carga de 50.000 W que está submetido a uma tensão de fase de 220 V, rendimento de 0,9 e fator de potência de 0,9. Qual é a alternativa que mais se aproxima do valor da corrente de projeto?
 

Provas

Questão presente nas seguintes provas
1209146 Ano: 2022
Disciplina: Engenharia Elétrica
Banca: UNIOESTE
Orgão: Pref. Santo Antonio Platina-PR
Provas:

Considere um circuito elétrico com os seguintes dados:

V =220 ∟- 30°V (220 V com ângulo de -30°)

I =10 ∟- 60° A (10 A com ângulo de -60°)

Marque a alternativa que apresenta os valores mais aproximados de potência ativa e potência reativa, respectivamente.

 

Provas

Questão presente nas seguintes provas
1209127 Ano: 2022
Disciplina: Engenharia Elétrica
Banca: UNIOESTE
Orgão: Pref. Santo Antonio Platina-PR
Provas:

Considere as seguintes afirmações:

I - O sistema TN é utilizado quando a distância da fonte de alimentação e da carga não é muito grande.

II - Deve-se sempre dar preferência ao sistema TN-S, porque na operação do sistema todo condutor PE está sempre com tensão zero, isto é, no mesmo potencial do aterramento da fonte.

III - No sistema TN-C, a tensão do condutor neutro junto à carga não é igual a zero, porque toda corrente de desequilíbrio do sistema retorna pelo neutro.

 

Provas

Questão presente nas seguintes provas
1209125 Ano: 2022
Disciplina: Engenharia Elétrica
Banca: UNIOESTE
Orgão: Pref. Santo Antonio Platina-PR
Provas:

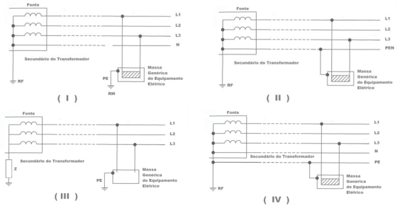
De acordo com a NBR-5410, no que se refere ao sistema de aterramento em instalações de baixa tensão observado nas figuras I, II, III e IV, com relação ao sistema TN, assinale a alternativa CORRETA:

Enunciado 1209125-1

 

Provas

Questão presente nas seguintes provas
1209108 Ano: 2022
Disciplina: Engenharia Elétrica
Banca: UNIOESTE
Orgão: Pref. Santo Antonio Platina-PR
Provas:

Qual é a corrente de projeto de um circuito responsável por alimentar uma tomada de uso específico destinada a aquecimento que apresenta as seguintes características:

Potência de 4.400 W;

Tensão de 220V;

Fator de agrupamento FCA = 0,8;

Fator de temperatura FCT = 0,8.

 

Provas

Questão presente nas seguintes provas
1209107 Ano: 2022
Disciplina: Engenharia Elétrica
Banca: UNIOESTE
Orgão: Pref. Santo Antonio Platina-PR
Provas:
Segundo a NBR-5410, os limites de queda de tensão das instalações de baixa tensão entre quadro geral e quadro de distribuição terminal, entre o quadro de distribuição terminal e carga de iluminação e quadro de distribuição terminal e motor, são, respectivamente:
 

Provas

Questão presente nas seguintes provas
1209105 Ano: 2022
Disciplina: Engenharia Elétrica
Banca: UNIOESTE
Orgão: Pref. Santo Antonio Platina-PR
Provas:
No que se refere às instalações elétricas de baixa tensão, marque a alternativa que NÃO está de acordo com a norma NBR-5410.
 

Provas

Questão presente nas seguintes provas
1209073 Ano: 2022
Disciplina: Engenharia Elétrica
Banca: UNIOESTE
Orgão: Pref. Santo Antonio Platina-PR
Provas:
Parte da energia que circula no sistema elétrico, em corrente alternada, que não produz trabalho, porém ocupa espaço nesse sistema, e o excesso desse tipo de energia é uma característica de baixo fator de potência. Essa energia é denominada:
 

Provas

Questão presente nas seguintes provas
1209071 Ano: 2022
Disciplina: Fisioterapia
Banca: UNIOESTE
Orgão: Pref. Santo Antonio Platina-PR
Provas:

Queimaduras em crianças são geralmente comuns e graves, sendo que o objetivo do tratamento inicial é limitar a extensão da lesão; para tal fim, é necessário atendimento multiprofissional. Quais são outros objetivos da fase inicial de internamento hospitalar, que necessitam de equipe multiprofissional?

I - Manutenção de vias aéreas e respiração.

II - Suporte circulatório e redução do risco de infecção.

III - Redução de dor e distresse.

 

Provas

Questão presente nas seguintes provas
1209044 Ano: 2022
Disciplina: Fisioterapia
Banca: UNIOESTE
Orgão: Pref. Santo Antonio Platina-PR
Provas:
A insuficiência venosa crônica é uma desordem comum associada, em estágios tardios, com uma grave complicação, que é a úlcera venosa, a qual gera graves problemas socioeconômicos, piorando a qualidade de vida do paciente. O diagnóstico é baseado na história pregressa, exame físico e em exames complementares, sendo considerado padrão-ouro:
 

Provas

Questão presente nas seguintes provas