Foram encontradas 40 questões.
Observe a figura abaixo.

Com base nas características dos relés comerciais, assinale a alternativa correta.
Provas
Qualquer parte de um circuito elétrico, composto por um ou mais dispositivos ligados em série, é denominada
Provas
Observe a figura abaixo.

O indutor ou bobina é um dispositivo formado por um fio esmaltado enrolado em torno de um núcleo. O símbolo do indutor depende do material usado como núcleo. Com base no símbolo utilizado para representar o indutor apresentado na figura acima, assinale a alternativa correta.
Provas
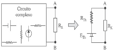
Em um circuito formado por vários bipolos lineares, todos os geradores e receptores do circuito que envolvem um determinado bipolo ou ramo de interesse podem ser substituídos por um gerador de tensão Thévenin, formado por uma fonte de tensão equivalente Thévenin ETh em série, com uma resistência interna equivalente Thévenin RTh, conforme representa a figura abaixo.

Com base nisso, assinale a alternativa que apresenta como o valor de ETh é calculado.
Provas
Analise a figura abaixo.

Supondo que “a”, “b” e “c” sejam os terminais dos enrolamentos de um motor trifásico, recebendo tensões entre fases Vab, Vbc, Vca de um gerador, é correto afirmar que estão defasadas de
Provas
A partida direta é a forma mais simples de partir um motor elétrico, na qual as três fases são ligadas diretamente ao motor, ocorrendo um pico de corrente. Na partida direta, a elevada corrente de partida do motor tem algumas desvantagens. Sobre o assunto, analise as proposições abaixo.
I. Acentuada queda de tensão no sistema de alimentação da rede, que ocasiona interferências em equipamentos instalados no sistema.
II. Os sistemas de acionamento (dispositivos, cabos) devem ser superdimensionados, elevando os custos do sistema.
III. Imposição das concessionárias que limitam a queda de tensão na rede.
É correto o que se afirma em
Provas
Há leis estabelecidas por Gustav Kirchhoff para resolver circuitos mais complexos, com geradores em diversos braços, o que, muitas vezes, torna impossível a solução pela determinação da resistência equivalente. Sobre o assunto, assinale (V) para Verdadeiro ou (F) para Falso.
( ) 1ª Lei: A soma das correntes que chegam a um nó do circuito é igual à soma das correntes que se afastam.
( ) 2ª Lei: A soma dos produtos das correntes pelas resistências em cada malha do circuito é igual à soma algébrica das forças eletromotrizes dessa malha.
( ) 3ª Lei: A soma dos circuitos em séries são aqueles em que a mesma corrente percorre todos os seus elementos.
Assinale a alternativa que apresenta a sequência correta.
Provas
Os sistemas elétricos que produzem um sinal CA por meios eletromecânicos são chamados de _____________ ou _____________. Os equipamentos eletrônicos que produzem um sinal CA, a partir de um sinal CC (Corrente Contínua) são os geradores de audiofrequência (AF) e os geradores de Radiofrequência (RF).
Assinale a alternativa que preenche corretamente as lacunas.
Provas
Quando dois indutores (ou bobinas) estiverem bem próximos um do outro, o fluxo magnético provocado pela corrente em uma bobina se associa com a outra bobina induzindo, consequentemente, tensão nessa última. Esse fenômeno é conhecido como indutância
Provas
Considere a seguinte situação hipotética: um motor com potência de 40 kW tem um Fator de Potência (FP) de 0,80. Com base nisso, assinale a alternativa correta acerca de sua potência aparente.
Provas
Caderno Container