Foram encontradas 34 questões.
Disciplina: Engenharia Civil
Banca: Instituto Ludus
Orgão: Pref. Presidente Dutra-MA
Em uma planta, com projeto de instalações elétricas de um prédio, você encontra o símbolo indicado ao lado. O mesmo indica:

Provas
Disciplina: Engenharia Civil
Banca: Instituto Ludus
Orgão: Pref. Presidente Dutra-MA
Observe a figura abaixo

As peças indicadas pelos número 1 e 2, respectivamente, são
Provas
Disciplina: Engenharia Civil
Banca: Instituto Ludus
Orgão: Pref. Presidente Dutra-MA
Você, Técnico de Edificações, necessita conhecer as normas de segurança nos locais de trabalho. No que diz às Normas de Segurança nas instalações de uma obra, assinale a alternativa INCORRETA.
Provas
Disciplina: Engenharia Civil
Banca: Instituto Ludus
Orgão: Pref. Presidente Dutra-MA
Ainda tomandose o material de construção indicado na figura acima, no qual conta a seguinte notação: CP II–E–32, 25kg. Quantos sacos semelhantes ao indicado na figura, são necessários para produzir 1,00 metro cúbico de argamassa com traço 1:6 (cimento:areia).

Provas
Disciplina: Engenharia Civil
Banca: Instituto Ludus
Orgão: Pref. Presidente Dutra-MA
Observe a figura seguinte

Em razão da carga, a viga representada na figura apresenta a deformação y. A medida de “y” é denominada de
Provas
Disciplina: Engenharia Civil
Banca: Instituto Ludus
Orgão: Pref. Presidente Dutra-MA
Em uma planta topográfica, você observa que as curvas de níveis são próximas uma das outras. Sobre este terreno, você conclui que ele é
Provas
Disciplina: Engenharia Civil
Banca: Instituto Ludus
Orgão: Pref. Presidente Dutra-MA
Observe a figura seguinte, constante em uma planta arquitetônica de uma edificação. A figura representa

Provas
Disciplina: Engenharia Civil
Banca: Instituto Ludus
Orgão: Pref. Presidente Dutra-MA
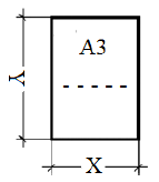
Observe atentamente a figura ao lado. A mesma representa uma folha de papel A3, na qual está grafa uma linha, utilizada no desenho técnico arquitetônico.

Sobre as dimensões dessa folha de papel e sobre a linha arquitetônica desenhada sobre ele, pode-se afirmar que
Provas
Disciplina: Informática
Banca: Instituto Ludus
Orgão: Pref. Presidente Dutra-MA
Você está com uma página editada no Word. Você deseja selecionar todo o texto. Você deve digitar
Provas
Disciplina: Informática
Banca: Instituto Ludus
Orgão: Pref. Presidente Dutra-MA
Você opera um computador no qual se encontra instalado o Microsoft Office Word 2007. Você deseja proteger um documento. Neste caso, você deve acionar o menu:
Provas
Caderno Container