Foram encontradas 60 questões.
Disciplina: Engenharia Elétrica
Banca: FUNDATEC
Orgão: Pref. Porto Alegre-RS
Determine o número mínimo de lâmpadas necessárias para um ambiente classe B, representado na figura abaixo, que requer 300 lux pelo método dos lumens e apresenta pé direito de 2,7 m e as lâmpadas ficarão no teto. Para o projeto, será adotada uma lâmpada TLD 16W que possui 1200 lm. Considere da reflexão do teto de 70%, parede de 50% e piso 10%. O ambiente é sujo e será usado fator de depreciação de 0,57.

Provas
Disciplina: Engenharia Elétrica
Banca: FUNDATEC
Orgão: Pref. Porto Alegre-RS
Com base no esquema de ligação de aterramento da figura a seguir, assinale a alternativa que descreve o sistema de aterramento adotado.

Provas
Disciplina: Engenharia Elétrica
Banca: FUNDATEC
Orgão: Pref. Porto Alegre-RS
Um engenheiro necessitava de um voltímetro com melhor resolução para a leitura de tensão; portanto, ele alterou as resistências internas para que o voltímetro que tinha fundo de escala em 450V ficasse com 240V. Qual a leitura de tensão feita pelo engenheiro com o voltímetro da figura abaixo, que está com a escala alterada?

Provas
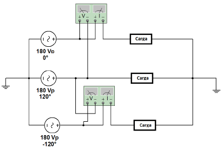
Disciplina: Engenharia Elétrica
Banca: FUNDATEC
Orgão: Pref. Porto Alegre-RS
Em um sistema trifásico equilibrado, representado abaixo, foram conectadas três cargas resistivas iguais em cada uma das fases. O sistema permaneceu ligado ao longo do dia por 8 horas, durante 10 dias. Um medidor de energia registrou um consumo de 38,9 KWh. Determine a leitura da potência dos wattímetros.

Provas
Disciplina: Engenharia Elétrica
Banca: FUNDATEC
Orgão: Pref. Porto Alegre-RS
Analisando o sinal senoidal na tela do osciloscópio da figura abaixo e sabendo que o equipamento está configurado para escala de amplitude de 10 V/Div e para a escala de tempo com 100μs/Div, determine os valores de tensão RMS e frequência do sinal, respectivamente. Considere o valor inteiro sem casas decimais.

Provas
Disciplina: Engenharia Elétrica
Banca: FUNDATEC
Orgão: Pref. Porto Alegre-RS
Determine a corrente fornecida pelo circuito abaixo na forma retangular, sem casas decimais, considerando as unidades no Sistema Internacional.

Provas
Disciplina: Engenharia Eletrônica
Banca: FUNDATEC
Orgão: Pref. Porto Alegre-RS
Determine a tensão Vc(t) do capacitor para o circuito a seguir no instante em que a chave é aberta, sabendo que ela estava fechada por um longo tempo.

Provas
Disciplina: Engenharia Elétrica
Banca: FUNDATEC
Orgão: Pref. Porto Alegre-RS
Determine o valor da resistência R para que a fonte forneça 0,5A ao circuito abaixo.

Provas
Disciplina: Engenharia Elétrica
Banca: FUNDATEC
Orgão: Pref. Porto Alegre-RS
Determine a corrente lida pelo amperímetro ideal abaixo, considerando o truncamento da leitura com duas casas decimais.

Provas
Disciplina: Engenharia Elétrica
Banca: FUNDATEC
Orgão: Pref. Porto Alegre-RS
O eletricista de uma fábrica foi chamado para atender a uma falha em um dos equipamentos. Ao chegar no local, detectou que o sistema havia acusado erro na alimentação. O equipamento está ligado a uma rede trifásica senoidal, onde o transformador tem ligação em estrela. O eletricista mediu a tensão de linha com um multímetro e encontrou 97,98. Sabendo que a tensão de fase deveria ser de 100V, determine a queda de tensão entre fase e neutro.
Provas
Caderno Container