Foram encontradas 40 questões.
Disciplina: Engenharia Elétrica
Banca: Consulplan
Orgão: Pref. Pitangueiras-SP

O circuito representa um esquema de aterramento de um sistema trifásico definido como:
Provas
Disciplina: Engenharia Elétrica
Banca: Consulplan
Orgão: Pref. Pitangueiras-SP
Analise o circuito de iluminação.

É INCORRETO afirmar que:
Provas
Disciplina: Eletroeletrônica
Banca: Consulplan
Orgão: Pref. Pitangueiras-SP
- EletrotécnicaCircuitos Elétricos em Eletricidade
- EletrotécnicaComponentes Eletrônicos em Eletricidade
- EletrotécnicaEquipamentos Elétricos
- Chaves Seccionadoras
A figura representa um dispositivo utilizado em acionamentos elétricos.

Trata-se do seguinte dispositivo:
Provas
Disciplina: Engenharia Elétrica
Banca: Consulplan
Orgão: Pref. Pitangueiras-SP
I. Sempre que houver cargas elétricas em movimento, surgirá em torno dessas cargas um campo magnético. II. A força magnetomotriz (fmm) de uma bobina é a força produtora de campo elétrico, e depende da corrente elétrica (I) e do número de espiras. III. O campo magnético, gerado por um fio retilíneo extenso, é tal que as linhas de indução são circunferências concêntricas, tendo como centro o próprio fio. IV. O transformador é um dispositivo que utiliza os princípios do eletromagnetismo para transferir energia entre seus enrolamentos em circuitos de corrente contínua.
Estão corretas apenas as afirmativas
Provas
Disciplina: Engenharia Elétrica
Banca: Consulplan
Orgão: Pref. Pitangueiras-SP
I. Transformadores: são máquinas elétricas que, através da indução eletromagnética, de alto rendimento, têm a finalidade de elevar, abaixar ou estabilizar tensões. II. Disjuntores: protegem um circuito desligando-o da rede elétrica manualmente quando a intensidade da corrente supera certo valor. III. Chaves seccionadoras: interrompem o fornecimento de energia a um circuito ou uma parte dele para operações de manobra ou manutenção da rede. IV. SPDA: protege as instalações elétricas contra descargas atmosféricas impedindo a ocorrência das descargas atmosféricas.
Estão corretas apenas as afirmativas
Provas
Disciplina: Engenharia Elétrica
Banca: Consulplan
Orgão: Pref. Pitangueiras-SP
Relacione adequadamente as grandezas e suas unidades, conforme o Sistema Internacional de Unidades.
1. Indutância.
2. Potência.
3. Resistência.
4. Capacitância.
5. Fluxo luminoso.
( ) Ohm.
( ) Henry.
( ) Lúmem.
( ) Watt.
( ) Farad.
A sequência correta está em
Provas
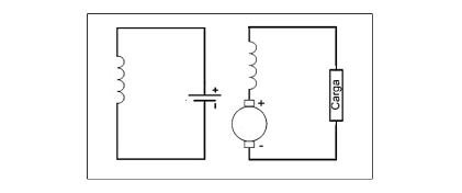
Disciplina: Engenharia Elétrica
Banca: Consulplan
Orgão: Pref. Pitangueiras-SP
Motores e geradores são máquinas elétricas que possuem uma semelhança quanto à sua estrutura e aos princípios de funcionamento. A imagem representa um circuito de um gerador de corrente contínua.

Assinale a alternativa que define o tipo de excitação de
campo desse gerador.
Provas
Disciplina: Engenharia Elétrica
Banca: Consulplan
Orgão: Pref. Pitangueiras-SP

A respeito desse instrumento, é INCORRETO afirmar que:
Provas
Disciplina: Engenharia Elétrica
Banca: Consulplan
Orgão: Pref. Pitangueiras-SP
Provas
Disciplina: Engenharia Elétrica
Banca: Consulplan
Orgão: Pref. Pitangueiras-SP
Analise o circuito resistivo de corrente contínua.

O valor da corrente medida pelo instrumento inserido no circuito, o valor da resistência equivalente (RAB) e a tensão (VAB) entre os pontos A e B são, respectivamente:
Provas
Caderno Container