Foram encontradas 2.103 questões.
Disciplina: Engenharia Civil
Banca: VUNESP
Orgão: Pref. Pindamonhangaba-SP
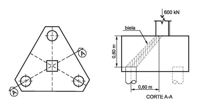
O bloco de fundação de concreto armado de três estacas, da figura a seguir, está submetido a uma carga concentrada de 600 kN.

Para o dimensionamento desse bloco, a força de compressão nas bielas de concreto é
Provas
Disciplina: Engenharia Civil
Banca: VUNESP
Orgão: Pref. Pindamonhangaba-SP
Em uma amostra de solo, o limite de liquidez é 25% e o limite de plasticidade é 5%. Nessas condições, o índice de plasticidade é:
Provas
Disciplina: Engenharia Civil
Banca: VUNESP
Orgão: Pref. Pindamonhangaba-SP
As argamassas inorgânicas utilizadas na execução de revestimento de paredes e tetos devem ser misturadas por processo mecanizado ou, em casos excepcionais, por processo manual, até obtenção de massa perfeitamente homogeneizada. No processo mecanizado, o tempo máximo de mistura, em minutos, é
Provas
Disciplina: Engenharia Civil
Banca: VUNESP
Orgão: Pref. Pindamonhangaba-SP
Se em um levantamento topográfico planimétrico, o rumo de uma das linhas da poligonal é S52º36'E, então, o seu azimute à direita é
Provas
Disciplina: Engenharia Civil
Banca: VUNESP
Orgão: Pref. Pindamonhangaba-SP
Nas edificações e equipamentos urbanos existentes, onde a adequação dos corredores seja impraticável para garantir as condições de acessibilidade, devem ser implantados bolsões de retorno com dimensões que permitam a manobra completa de uma cadeira de rodas (180º), sendo no mínimo um bolsão a cada
Provas
Disciplina: Engenharia Ambiental e Sanitária
Banca: VUNESP
Orgão: Pref. Pindamonhangaba-SP
Qual é a unidade territorial básica para implantação de política de recursos hídricos no Brasil?
Provas
Disciplina: Engenharia Ambiental e Sanitária
Banca: VUNESP
Orgão: Pref. Pindamonhangaba-SP
O dispositivo de um sistema de drenagem urbana destinado a atenuar os picos de vazão durante as precipitações intensas, liberando a água armazenada após a passagem da onda de cheia, é chamado, corretamente, de
Provas
Disciplina: Engenharia Ambiental e Sanitária
Banca: VUNESP
Orgão: Pref. Pindamonhangaba-SP
A primeira lei da termodinâmica é uma aplicação do seguinte princípio da física:
Provas
Disciplina: Engenharia Ambiental e Sanitária
Banca: VUNESP
Orgão: Pref. Pindamonhangaba-SP
O teorema de Stevin permite que seja determinada a seguinte grandeza física:
Provas
Disciplina: Engenharia Ambiental e Sanitária
Banca: VUNESP
Orgão: Pref. Pindamonhangaba-SP
Detectou-se em uma área a presença de solo contaminado por compostos orgânicos, definindo-se pela utilização de uma técnica in situ em que se injetou ar dentro do solo contaminado, fazendo com que os contaminantes voláteis passassem à fase gasosa e fossem extraídos por bombeamento do solo. Foi utilizada a técnica de remediação denominada
Provas
Caderno Container