Foram encontradas 704 questões.
Analise o esquema de aterramento da Figura 9 abaixo:

Trata-se de um esquema:
Provas
Questão presente nas seguintes provas
Determine a capacitância equivalente: Ceq do circuito da Figura 8 abaixo.

Provas
Questão presente nas seguintes provas
Analise o mapa de Karnaugh da Figura 7 abaixo e assinale a alternativa que apresenta
a expressão lógica correspondente.


Provas
Questão presente nas seguintes provas
Determine a potência reativa da carga corretiva de um sistema elétrico com potência
aparente S = 60 kVA e FP = 0,8660 (fator de potência), alimentado por tensão de 220V /0º
. Considere
arccos(0,8660): 30°.
Provas
Questão presente nas seguintes provas
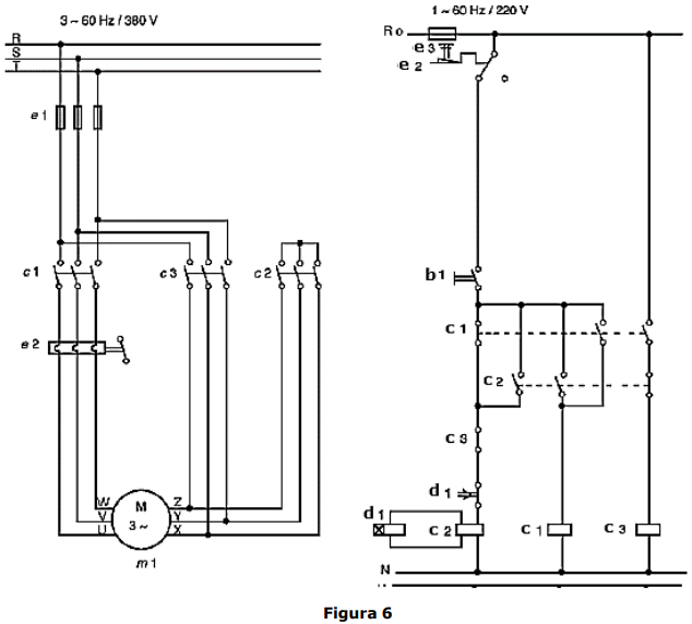
Considerando o diagrama esquemático da Figura 6 a seguir (diagrama elétrico à
esquerda e controle e acionamento lógico à direita), analise as assertivas abaixo:
I. Trata-se de sistema de acionamento estrela-triângulo.
II. O sistema, inicialmente em repouso, é ativado pelo botão b1.
III. O acionamento da contatora c2 aciona o temporizador d1.
IV. A partir do acionamento, o motor parte na configuração triângulo.
Quais estão INCORRETAS?
I. Trata-se de sistema de acionamento estrela-triângulo.
II. O sistema, inicialmente em repouso, é ativado pelo botão b1.
III. O acionamento da contatora c2 aciona o temporizador d1.
IV. A partir do acionamento, o motor parte na configuração triângulo.
Quais estão INCORRETAS?
Provas
Questão presente nas seguintes provas
Determine a corrente circulante em uma carga cuja potência consumida é
S=1100 VA/30° e a tensão de alimentação é V = 220 V/0°.
Provas
Questão presente nas seguintes provas
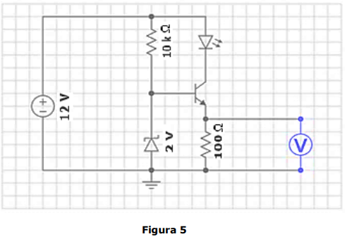
Analise o circuito regulador de tensão a transistor tipo série apresentado na Figura 5
abaixo e assinale a alternativa correta. Considere Vbe = 0,8 V.


Provas
Questão presente nas seguintes provas
Analise a tabela-verdade abaixo e determine a expressão lógica correspondente.

Provas
Questão presente nas seguintes provas
Assinale a alternativa que NÃO corresponde a um dos itens constituintes de um
sistema de proteção de descargas atmosféricas (SPDA), segundo a norma NBR 5419:2005.
Provas
Questão presente nas seguintes provas
Analise o diagrama unifilar da Figura 4 abaixo e assinale a alternativa INCORRETA.

Provas
Questão presente nas seguintes provas
Cadernos
Caderno Container