Foram encontradas 50 questões.
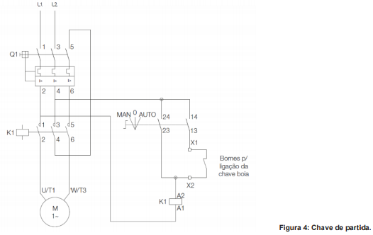
Um técnico em eletrotécnica se deparou com o diagrama mostrado pela Figura 4 e deve interpretá-lo para prestar manutenção em seus circuitos. De acordo com o diagrama da Figura 4, assinale a
alternativa correta.


Provas
Questão presente nas seguintes provas
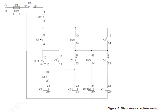
Um técnico eletrotécnico deve ser capaz de analisar e manter circuitos de comando de máquinas
elétricas. De acordo com o diagrama da Figura 3, assinale a alternativa correta em relação ao tema
circuitos de comando.


Provas
Questão presente nas seguintes provas
Um técnico em eletrotécnica, ao analisar o
sinal da Figura 2, proveniente da captura da
tela de um osciloscópio com dois canais,
deve inferir acerca de suas características
para manutenção de um circuito. Dadas
as informações para os sinais da Figura 2:
segundos/divisão = 5000 ms, volts/divisão:
canal 1: 200 mV/div, canal 2: 2,0V/div e
frequência de amostragem = 2,0 MSa/s e de
acordo com as definições de osciloscópios
para a Figura 2, assinale a alternativa correta.


Provas
Questão presente nas seguintes provas
- EletrotécnicaCircuitos de Corrente Contínua em Eletrotécnica
- EletrotécnicaCircuitos Elétricos em Eletrotécnica
As Leis de Kirchhoff permitem a análise de
circuitos e são largamente utilizadas para
solucionar problemas dessa natureza. Dado
o circuito da Figura 1 , assinale a alternativa
correta, de acordo com as Leis de Kirchhoff
para associação em paralelo de fontes de
corrente:


Provas
Questão presente nas seguintes provas
De acordo com a resolução normativa 414/2010, que determina as condições gerais de fornecimento
de energia elétrica, assinale a alternativa correta.
Provas
Questão presente nas seguintes provas
Um técnico, ao analisar o acionamento
direto de um motor de indução assíncrono
trifásico alimentado com tensão de 220 Vca;
consumindo corrente de 10 A e apresentando
fator de potência de 0,86, chegou à correta
conclusão de que
Provas
Questão presente nas seguintes provas
De acordo com as chaves de partida do tipo “inversor de frequência” e das características dos
motores elétricos e seus Circuitos de comando, assinale a alternativa correta.
Provas
Questão presente nas seguintes provas
De acordo com a Resolução normativa ANEEL
414, de nove de setembro de 2010, onde está
escrito: “A distribuidora deve conceder um
período de ajustes para adequação do fator
de potência para unidades consumidoras
do grupo B, com duração mínima de 3
(três) ciclos consecutivos e completos
de faturamento, objetivando permitir a
adequação da unidade consumidora”,
assinale a alternativa que se refere ao artigo
136.
Provas
Questão presente nas seguintes provas
O projeto de um transformador de força
analisado por um técnico apresenta as
seguintes características: tensão do
primário = 220 V, tensão do secundário = 24V,
para alimentar carga resistiva consumindo
corrente de 3A, em 60 Hz. O técnico deve
utilizar chapas de aço-silício para executar
a fabricação do transformador, sabendo-se
que a área de seção transversal do cobre
enrolado seria de 10 cm² (de acordo com
o projeto) e a área da janela do núcleo do
transformador é de 37,5 cm² (de acordo com
as chapas aço-silício disponíveis). Conforme
as definições de Transformadores de Força e
os dados fornecidos, assinale a alternativa
correta.
Provas
Questão presente nas seguintes provas
Ao analisar uma instalação elétrica, um
técnico em eletrotécnica deve determinar
quantos condutores isolados podem ser
instalados dentro de um eletroduto rígido
de PVC classe “A”, tamanho nominal 20
(3/4”), tipo roscável. Os dados da tabela dos
fabricantes são: o diâmetro nominal externo
de um cabo de 2,5 mm² é 3,6 mm, o diâmetro
externo do eletroduto é 21,1 ± 0,3 mm e a
espessura da parede do eletroduto é 2,5 mm
(considere a taxa de ocupação do eletroduto
0,4). O número máximo de condutores
isolados que podem ser instalados dentro
do eletroduto especificado, de acordo com a
norma NBR 5410, é
Provas
Questão presente nas seguintes provas
Cadernos
Caderno Container