Foram encontradas 1.470 questões.
Um automóvel utiliza lâmpadas halógenas de 60 W nos dois faróis, sendo cada farol alimentado por um circuito independente de 12 Vcc em corrente contínua protegido por um fusível do tipo lâmina. Considerando a corrente nominal do fusível tipo lâmina, a alternativa com o valor de corrente mais adequado para proteção de cada circuito a fim de evitar a queima do fusível é:
Provas
Ao abrir um motor de arranque para manutenção, o eletricista verificou que a as bobinas do estator estavam queimadas. Para investigar a(s) causa(s) dessa falha, o eletricista considerou as seguintes hipóteses:
I. Houve uma falha na isolação das bobinas devido ao envelhecimento do material isolante, provocando um curto-circuito entre as espiras e a carcaça do motor de arranque.
II. O cabo de alimentação do motor de partida era de uma seção muito inferior ao projeto original, o que levou a uma queda de tensão acentuada na partida do motor de arranque, e, consequentemente, a uma elevada corrente nas bobinas do motor de arranque.
III. O coletor do induzido estava em contato com as escovas de carvão do circuito de excitação do campo.
Das hipóteses levantadas pelo eletricista podem, efetivamente, ser as causas do problema no estator, apenas:
Provas
Uma bateria com capacidade nominal de 60 Ah e 12 Vcc pode alimentar uma carga constante de 36 W em 12 Vcc por quantas horas?
Provas
Os átomos são constituídos pelo núcleo, formado por prótons e nêutrons, e por partículas que giram ao redor do núcleo, denominadas elétrons. Por convenção, os prótons possuem carga elétrica positiva (+), os nêutrons carga elétrica nula e os elétrons carga elétrica negativa (-). Em geral, os átomos possuem o mesmo número de prótons e elétrons, ou seja, possuem carga elétrica total nula. O atrito entre materiais não condutores pode provocar o desequilíbrio entre o número de elétrons e prótons, formando o acúmulo de carga elétrica definida como carga:
Provas
O diagrama a seguir representa o sistema de ignição eletrônica de um automóvel. Analisando a figura, o componente eletrônico utilizado para amplificar o sinal gerado pelo distribuidor é:

Provas
No circuito apresentado, há uma fonte de tensão E que alimenta os resistores de 20 Ω e X Ω. O valor da tensão E é:
Provas
A figura a seguir mostra uma bobina sendo alimentada por uma bateria, a fim de gerar um campo eletromagnético em seu núcleo.

Para aumentar o campo produzido pela bobina, considere as seguintes alternativas:
I. Deve-se aumentar a corrente que passa pela bobina.
II. Deve-se aumentar o número de espiras da bobina.
III. Deve-se diminuir o número de espiras.
IV. Deve-se utilizar no núcleo da bobina material que diminua a dispersão magnética.
Dos itens acima descritos, estão corretos, apenas:
Provas
A luz de bateria no painel de um automóvel permanece acesa mesmo com o motor em funcionamento. Qual das alternativas listadas abaixo NÃO pode ser considerada como uma possível causa do problema?
Provas
Os atuadores responsáveis pela injeção de combustível no motor são os injetores, classificados, com base no seu sistema de funcionamento, em: monoponto (apenas um injetor para todos os cilindros) e multiponto (um injetor por cilindro). O dispositivo microprocessado que controla a quantidade de combustível injetado nos sistemas de injeção eletrônica é denominado:
Provas
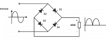
A figura a seguir representa um retificador de onda completa, utilizado para retificar a tensão alternada produzida pelo alternador de um automóvel.

Considerando o sinal de entrada em corrente alternada, é correto afirmar que:
Provas
Caderno Container