Foram encontradas 240 questões.
Miguel, de 6 anos de idade, chegou com seus pais ao consultório apresentando queixa de desatenção, com hiperatividade, impulsividade aumentada, falta de concentração, dificuldade em realizar algumas tarefas e de terminá-las, além de perder objetos; distrai-se com facilidade quando há estímulos externos e não se atém a detalhes.
O quadro é sugestivo de :
Provas
Caracterizado o desenvolvimento típico de linguagem e fala em crianças por usar sentenças curtas, três a quatro vocábulos, nomear figuras e objetos comuns, identificar partes do corpo, apresentar um vocabulário de 450 palavras, combinar nomes e verbos, conversar com outras crianças assim como adultos e apreciar ouvir a mesma história várias vezes.
Pode-se dizer que o quadro acima apresentado é típico em crianças de:
Provas
O processo que envolve a fala e outras habilidades com a finalidade de atingir a comunicação efetiva para interagir com outras pessoas define-se como:
Provas
A norma ABNT 5410:2004 (2008) – Instalações Elétricas de Baixa Tensão, como alternativa à aplicação das normas para iluminação de interiores em instalações prediais, prescreve, para dimensionamento e previsão dos circuitos de iluminação:
- em cômodos ou dependências com área igual ou inferior a 6 m², deve ser prevista uma carga mínima de 100 VA;
- em cômodo ou dependência com área superior a 6 m², deve ser prevista uma carga mínima de 100 VA para os primeiros 6 m², acrescidos de 60 VA, para cada aumento de 4 m² inteiros.
Considerando um cômodo de uma instalação predial cuja área é de 20 m², a potência dimensionada para o circuito de iluminação segundo a NBR 5410, seria de:
Provas
Sobre o dispositivo diferencial residual, pode-se afirmar que:
Provas
A potência instalada ou potência nominal de uma instalação ou de um circuito é a soma das potências nominais dos equipamentos de utilização (inclusive tomadas de corrente) pertencentes a esta. Na realidade, não se verifica o funcionamento de todos os pontos ativos simultaneamente, de modo que não seria econômico dimensionar os alimentadores do quadro geral ao quadro terminal, situado no apartamento, no andar de escritório, ou na loja, considerando a carga como a soma de todas as potências nominais instaladas. Considera-se que a potência realmente demandada pela instalação seja inferior à instalada e a relação entre ambas é designada como fator de demanda. Portanto, se em uma instalação a potência instalada é de 350kW e a demanda máxima é 140kW, o fator de demanda dessa instalação será de:
Provas
Seja o sistema de potência a seguir:

Considerando as informações:

O valor da corrente de curto circuito simétrica no ponto F, em pu e em quilo-ampères, será respectivamente:
Provas
Uma concessionária de distribuição de energia elétrica precisa dimensionar sua subestação para atender às seguintes cargas industriais:
Carga 1: 250 kVA, Fator de Potência 0,5 atrasado
Carga 2: 180kW, Fator de Potência 0,8 adiantado
Carga 3: 300 kVA, 100 kVAr atrasados
A menor potência do transformador da subestação que atenderia a demanda dessas três indústrias simultaneamente é de:
Provas
Um transformador de 500 kVA está operando a plena carga com fator de potência total de 0,6 atrasado. O fator de potência é melhorado acrescentando-se capacitores, até que o novo fator de potência seja 0,9 atrasado. Os capacitivos necessários e após a correção do fator de potência a porcentagem da plena carga que o transformador estará alimentando são respectivamente:
Provas
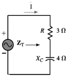
O circuito da figura é a modelagem de um equipamento que está sendo desenvolvido.

O fator de potência desse equipamento é igual a:
Provas
Caderno Container