Foram encontradas 300 questões.
Disciplina: Ética e Regulação Profissional
Banca: UEPB
Orgão: Pref. Condado-PE
Provas
Disciplina: Ética e Regulação Profissional
Banca: UEPB
Orgão: Pref. Condado-PE
Provas
Disciplina: Segurança e Saúde no Trabalho (SST)
Banca: UEPB
Orgão: Pref. Condado-PE
Provas
Provas
Provas
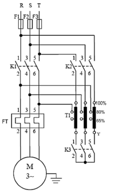
Na indústria moderna, diferentes processos produtivos precisam ser automatizados diariamente, possibilitando, por exemplo, comandar máquinas à distância, acionar vários motores em sequência etc. Neste sentindo, o estudo de acionamento de máquinas, em especial os motores elétricos de indução, merece destaque. Sobre o circuito de acionamento apresentado na Figura 06, analise as assertivas a seguir.
Figura 06 – Acionamento de motores trifásicos

I- Trata-se de um circuito de comando para uma partida direta de um motor trifásico.
II- Corresponde ao circuito de força de uma clássica partida indireta de um motor trifásico, denominada partida compensadora.
III- O elemento do circuito T1 é um autotransformador que tem a função de reduzir a tensão de partida do motor e é indicado para o acionamento com carga, quando a potência mecânica é mais elevada.
IV- O circuito de força apresentado é a partida estrela triângulo, que permite a diminuição da corrente na partida do motor, devido ao fechamento de suas bobinas inicialmente em triângulo.
É CORRETO o que se afirma apenas em:
Provas
Disciplina: Segurança e Saúde no Trabalho (SST)
Banca: UEPB
Orgão: Pref. Condado-PE
De acordo com a Norma Regulamentadora Nº 10 – NR10, do Ministério do Trabalho e Emprego – MTE, referente aos procedimentos de trabalho, analise as assertivas a seguir.
I- Em uma determinada empresa, os serviços em instalações elétricas devem ser planejados e realizados em conformidade com procedimentos de trabalho padronizados e assinados por profissional legalmente habilitado e autorizado, com anuência formal da empresa.
II- Durante a execução dos serviços em instalações elétricas, a alternância de atividades deve considerar a análise de riscos das tarefas e a competência dos trabalhadores envolvidos, de forma a garantir a segurança e a saúde no trabalho.
III- Os serviços em instalações elétricas devem ser precedidos de ordens de serviço especificas, aprovadas por trabalhador autorizado, sendo suficiente comprovar conclusão de curso específico na área elétrica reconhecido pelo Sistema Oficial de Ensino para que seja considerado profissional autorizado.
IV- Antes de iniciar trabalhos em equipe, os seus membros devem realizar uma avaliação prévia das atividades e ações a serem desenvolvidas no local, de forma a atender, tão somente, os princípios técnicos básicos.
É CORRETO o que se afirma apenas em:
Provas
Um transformador elétrico, conforme exemplificado na Figura 4, é um dispositivo formado a partir de enrolamentos que são acoplados magneticamente, sem que exista uma conexão física entre si e que são projetadas para fornecerem características específicas a cada tipo de aplicação, tanto residenciais quanto comerciais e industriais.
Figura 4 – Transformador ideal convencional

Sobre transformadores, analise as assertivas a seguir.
I- Na Figura 4, temos um transformador linear convencional, que é um dispositivo de quatro terminais formado por duas bobinas (ou mais), acopladas magneticamente, seja através de um núcleo de ferro, ou mesmo com núcleo de ar.
II- Na Figura 4, a bobina que está ligada diretamente à tensão de entrada é chamada enrolamento primário e N representa sua relação 1 de espiras. Já a bobina ligada à tensão de saída, é denominada enrolamento secundário e N representa sua relação de espiras.
III- O transformador abaixador de tensão é aquele no qual a tensão no secundário é maior que a tensão no primário.
IV- O autotransformador é um tipo de transformador com um único enrolamento e um ponto de conexão, chamado derivação, entre o primário e o secundário. Normalmente, a derivação é ajustável de modo a fornecer a relação de espiras desejada para elevar ou abaixar a tensão, mas não permitindo uma tensão variável para a carga.
É CORRETO o que se afirma apenas em:
Provas
Um conjunto de 7 lâmpadas, conforme mostrado na Figura 3, forma um circuito elétrico que simula o sistema de iluminação de uma sala de reunião. As lâmpadas encontram-se conectadas entre si, formando associações em série ou em paralelo e são alimentadas por uma bateria de 12V.
Figura 03 – Sistema de iluminação

Considerando o contexto, o circuito elétrico apresentado e que os elementos do circuito são ideais, analise as assertivas a seguir.
I- A potência total fornecida pela fonte é 70W.
II- A corrente elétrica fornecida pela bateria, aproximadamente 6,6 A, é distribuída igualmente para cada ramo do circuito.
III- A corrente elétrica que circula na lâmpada de 20W é duas vezes maior que a corrente elétrica que circula em cada lâmpada de 10W.
IV- A resistência elétrica de cada lâmpada de 10W é aproximadamente 3,64Ω.
É CORRETO o que se afirma apenas em:
Provas
Um auxiliar de eletricista recebeu a tarefa de fazer o levamento do consumo de energia elétrica do sistema de iluminação e de alguns equipamentos elétricos de uma escola. Os dados estão apresentados na tabela abaixo. O custo da energia elétrica cobrado pela concessionária local é de R$0,55/ kWh. Considere um mês com 30 dias.

Considerando os dados apresentados, analise as assertivas a seguir.
I- O consumo energético diário da geladeira é de 9,6 kWh;
II- O valor pago mensalmente referente ao consumo do computador é R$ 41,25.
III- O consumo energético mensal do sistema de iluminação é de 180 kWh.
IV- O valor pago mensalmente referente ao consumo de todos os equipamentos e do sistema de iluminação é de R$ 328,20.
É CORRETO o que se afirma em:
Provas
Caderno Container