Foram encontradas 2.369 questões.
No dimensionamento de estruturas de concreto armado, o estado limite último de ruptura é caracterizado pelas deformações-limite no concreto e nas armaduras.
Desse modo, o domínio caracterizado pela flexão simples (seção subarmada) ou composta com ruptura à compressão do concreto e com escoamento do aço é o domínio
Provas
A viga apresentada a seguir é solicitada axialmente por uma carga P. A viga possui seção transversal quadrada de lado 0,05m.

Sabendo que a máxima tensão cisalhante suportada pela viga vale 200MPa, a máxima carga P que pode ser imposta nessa viga vale:
Provas
A viga isostática apresentada a seguir tem uma carga concentrada P atuando em uma de suas extremidades.

Para que a reação vertical no apoio A seja o triplo da reação vertical no apoio B, a carga concentrada P deve ser de
Provas
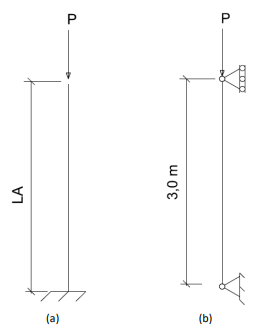
As figuras a seguir apresentam duas colunas metálicas, construídas com aço carbono com módulo de Young de 200 GPa. A coluna (a) possui seção transversal quadrada de lado 0,2m, enquanto a coluna (b) possui seção transversal quadrada de lado 0,1m.

Para que ambas as colunas possuam a mesma carga de instabilidade à compressão axial, o comprimento da coluna (a), LA, deve ser de
Provas
Disciplina: Agronomia (Engenharia Agronômica)
Banca: FGV
Orgão: Pref. Caraguatatuba-SP
1. amostragem
2. amostra de fiscalização
3. amostra de classificação
4. amostra
( ) é a coletada para fins de determinar as características intrínsecas e extrínsecas do produto vegetal, seus subprodutos e resíduos de valor econômico, objetivando a emissão do documento de classificação.
( ) é a coletada para fins de aferição da qualidade dos serviços prestados e da conformidade da classificação dos produtos vegetais, seus subprodutos e resíduos de valor econômico.
( ) processo de retirada de amostra de um lote ou volume.
( ) porção representativa de um lote ou volume do qual foi retirada.
Assinale a opção que indica a relação correta, na ordem apresentada.
Provas
Disciplina: Agronomia (Engenharia Agronômica)
Banca: FGV
Orgão: Pref. Caraguatatuba-SP
I. nos portos, aeroportos e postos de fronteiras, quando da importação.
II. nas operações de compra e venda do Poder Público.
III. na venda de ração e produtos alimentares destinados à atividade pecuária entre particulares.
IV. quando destinados diretamente à alimentação humana.
Está correto o que se afirma em
Provas
Disciplina: Agronomia (Engenharia Agronômica)
Banca: FGV
Orgão: Pref. Caraguatatuba-SP
Provas
Disciplina: Agronomia (Engenharia Agronômica)
Banca: FGV
Orgão: Pref. Caraguatatuba-SP
Tabela - Índices de mecanização (diversas medidas) entre 1970 e 2017

De acordo com as informações da Tabela, assinale V para a afirmativa verdadeira e F para a falsa.
( ) Ao longo do período analisado, há um crescimento ininterrupto da frota de tratores no campo.
( ) De 1995 a 2006, uma taxa de crescimento menor da frota seria compensada por um aumento da potência.
( ) A menor variação percentual da potência por área (cv ha-1 ) ocorreu de 1980 para 1985.
As afirmativas são, respectivamente,
Provas
Disciplina: Agronomia (Engenharia Agronômica)
Banca: FGV
Orgão: Pref. Caraguatatuba-SP
As lacunas ficam corretamente preenchidas, respectivamente, por:
Provas
Disciplina: Agronomia (Engenharia Agronômica)
Banca: FGV
Orgão: Pref. Caraguatatuba-SP
Não cabe contrapor o progresso da agricultura ao da indústria. Ao contrário, esses dois setores, integrados aos serviços, caminham juntos. O modelo brasileiro de pesquisa e o ambiente institucional de adoção e difusão de conhecimentos foram capazes de criar condições favoráveis para uma interação setorial com o intuito de resolver problemas produtivos em clima tropical, um exemplo no contexto internacional.
Sobre a modernização da agricultura brasileira nos últimos 50 anos, assinale a afirmativa incorreta.
Provas
Caderno Container