Magna Concursos

Foram encontradas 100 questões.

2933923 Ano: 2023
Disciplina: Engenharia Mecânica
Banca: Pref. Bauru-SP
Orgão: Pref. Bauru-SP
Provas:

O sistema internacional de unidades ou SI, tem como base sete unidades primárias: Comprimento, massa, tempo, corrente elétrica, temperatura termodinâmica, quantidade de substância e intensidade luminosa. Quais são as respectivas unidades:

 

Provas

Questão presente nas seguintes provas
2933922 Ano: 2023
Disciplina: Engenharia Mecânica
Banca: Pref. Bauru-SP
Orgão: Pref. Bauru-SP
Provas:

O técnico A diz que o afrouxamento de um elemento de fixação roscado é causado por uma perda total ou parcial de pré-carregamento, que por sua vez, é causada por fenômenos de acomodação (afrouxamento) ou movimentos relativos na linha de separação (desparafusamento). O técnico B diz que as seguintes medidas asseguram uma proteção confiável contra afrouxamento: Pré-carga alta, elementos de fixação roscados elásticos, baixas pressões superficiais devido a grandes superfícies de apoio e profundidade suficiente da rosca, número pequeno de linhas de separação. O técnico C complementa dizendo que deve ser evitado esforço sobre elementos plásticos ou quase elásticos (ex. vedações). Quem está certo?

 

Provas

Questão presente nas seguintes provas
2933921 Ano: 2023
Disciplina: Engenharia Mecânica
Banca: Pref. Bauru-SP
Orgão: Pref. Bauru-SP
Provas:

Quais as condições de funcionamento/utilização de um automóvel que são consideradas severas:

I) Funcionamento constante em tráfego urbano lento, com paradas e partidas excessivas.

II) Ônibus para uso rodoviário.

III) Viagens frequentes de curta distância, sem que o motor alcance a temperatura de funcionamento normal.

IV) Viagens longas em estradas de terra e/ou areia (estradas irregulares, com areia ou lama excessiva).

V) Funcionamento prolongado em marcha lenta.

 

Provas

Questão presente nas seguintes provas
2933920 Ano: 2023
Disciplina: Engenharia Mecânica
Banca: Pref. Bauru-SP
Orgão: Pref. Bauru-SP
Provas:

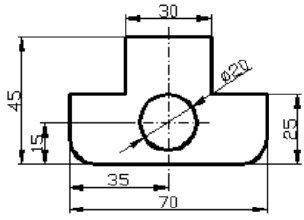
Avaliando o desenho técnico a seguir responda qual o raio da broca que deve ser usada para fazer o furo central:

Enunciado 3753874-1

 

Provas

Questão presente nas seguintes provas
2933919 Ano: 2023
Disciplina: Engenharia Mecânica
Banca: Pref. Bauru-SP
Orgão: Pref. Bauru-SP
Provas:

Avalie os gráficos de vibração a seguir e responda:

Enunciado 3753873-1

 

Provas

Questão presente nas seguintes provas
2933918 Ano: 2023
Disciplina: Engenharia Mecânica
Banca: Pref. Bauru-SP
Orgão: Pref. Bauru-SP
Provas:

O Aço é um composto de Ferro + Carbono, essa quantidade de carbono determina a dureza e a resistência mecânica desse composto. Você como engenheiro mecânico deve saber escolher qual o melhor tipo de aço para a fabricação de uma máquina que pode ser, por exemplo: SAE 1020 ou SAE 1045. Qual a diferença entre esses dois tipos de aço?

 

Provas

Questão presente nas seguintes provas
2933917 Ano: 2023
Disciplina: Engenharia Mecânica
Banca: Pref. Bauru-SP
Orgão: Pref. Bauru-SP
Provas:

O processo de conformação de metais é muito utilizado em indústrias automotivas na fabricação de peças. Qual a principal finalidade dos vincos presentes na lataria de um automóvel:

 

Provas

Questão presente nas seguintes provas
2933916 Ano: 2023
Disciplina: Engenharia Mecânica
Banca: Pref. Bauru-SP
Orgão: Pref. Bauru-SP
Provas:

Você como Engenheiro Mecânico da prefeitura através do “monitoramento de temperatura dos eixos” de uma determinada máquina, percebeu que um deles estava trabalhando com a temperatura acima da especificada pelo fabricante. E para solucionar o problema resolveu diminuir a periodicidade da lubrificação que era anual e passou a ser semestral. Baseado em seus conhecimentos que tipo de manutenção é essa?

 

Provas

Questão presente nas seguintes provas
2933915 Ano: 2023
Disciplina: Engenharia Mecânica
Banca: Pref. Bauru-SP
Orgão: Pref. Bauru-SP
Provas:

Existem basicamente 2 formas de lubrificação nos motores a combustão interna, sendo elas: Lubrificação por Salpico e sistema por lubrificação forçada. Em um sistema de lubrificação forçada a bomba gera uma depressão em sua entrada e uma vazão na saída, esta vazão é limitada o que gera a elevação de pressão hidráulica. Baseado em seu conhecimento, determine qual das alternativas a seguir pode diminuir a pressão hidráulica de um motor a combustão interna:

 

Provas

Questão presente nas seguintes provas
2933914 Ano: 2023
Disciplina: Engenharia Mecânica
Banca: Pref. Bauru-SP
Orgão: Pref. Bauru-SP
Provas:

O motor a combustão interna é uma máquina Térmica baseada no ciclo de Carnot, ciclo esse que determina a variação de Pressão, Volume e Temperatura. Avaliando o gráfico a seguir determine:

Enunciado 3753868-1

 

Provas

Questão presente nas seguintes provas