Foram encontradas 60 questões.
A cobertura de uma edificação é formada por apenas uma água e a captação da água da chuva será destinada para uma única calha.

Considerando a intensidade da chuva de projeto igual a 150mm/h, a vazão de projeto na calha é de
Provas
Provas
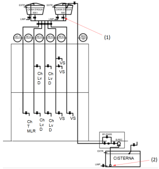
A figura a seguir apresenta parte do diagrama vertical da instalação de água fria de uma residência unifamiliar.

As tabelas a seguir relacionam o peso de contribuição a cada aparelho apresentado na instalação hidráulica.

Considerando também o diagrama apresentado, o diâmetro da coluna AF-1 é de
Provas
A figura a seguir apresenta parte do diagrama vertical da instalação de água fria de uma residência unifamiliar.

Provas
A figura a seguir apresenta uma barra tracionada com seção transversal quadrada de lado 0,10m.

A máxima tensão cisalhante atuante nessa barra é de
Provas
Uma punção possui diâmetro de 10mm. Sabendo que as máximas
tensões normais e de cisalhamento médias impostas pela punção
em uma chapa valem 200MPa e 100MPa, e admitindo
= 3,
a espessura máxima da chapa perfurada por essa punção vale
Provas
Um tubo de aço, com tensão de escoamento de 200MPa, possui
seção transversal circular com diâmetro interno de 80mm.
Sabendo que esse tubo deve suportar uma carga de 270kN, com
coeficiente de segurança contra o escoamento de 2,0, o diâmetro
externo mínimo desse duto, admitindo
= 3, deve ser de
Provas
Provas
I. Reconhecimento
II. Isolamento
III. Descarte
( ) procedimento referente à liberação do vestígio, respeitando a legislação vigente e, quando pertinente, mediante autorização judicial.
( ) ato de distinguir um elemento como de potencial interesse para a produção da prova pericial.
( ) ato de evitar que se altere o estado das coisas, devendo isolar e preservar o ambiente imediato, mediato e relacionado aos vestígios e local de crime.
Assinale a opção que apresenta a relação correta, na ordem apresentada.
Provas
I. Considera-se cadeia de custódia o conjunto de todos os procedimentos utilizados para manter e documentar a história cronológica do vestígio coletado em locais ou em vítimas de crimes, para rastrear sua posse e manuseio a partir de seu reconhecimento até o descarte.
II. O início da cadeia de custódia dá-se com a preservação do local de crime ou com procedimentos policiais ou periciais nos quais seja detectada a existência de vestígio.
III. O agente público que reconhecer um elemento como de potencial interesse para a produção da prova pericial fica responsável por sua preservação.
IV. Vestígio é todo objeto ou material bruto, visível ou latente, constatado ou recolhido, que se relaciona à infração penal.
Estão corretas as afirmativas:
Provas
Caderno Container