Considere a figura a seguir que ilustra a vista lateral de um dos pórticos que compõem um sistema de cimbramento que deve suportar o lançamento de concreto fresco, resultando uma carga distribuída de 10 kN/m sobre a viga.
A viga do pórtico que suporta o fundo da forma onde será lançado o concreto está simplesmente apoiada sobre as colunas B e C, sendo restrito o deslocamento vertical e horizontal apenas em C. A carga recebida pelas colunas B e C e o momento fletor máximo resultam, respectivamente:
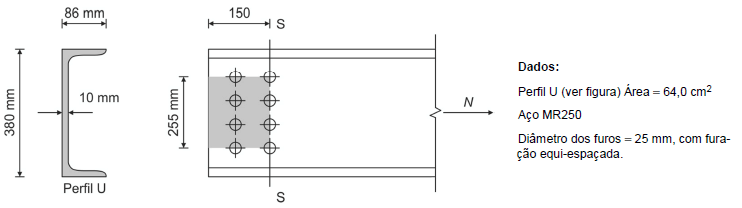
Considere as características do perfil U da conexão apresentada na figura a seguir:
Ao se analisar o que causou o escoamento (deformação excessiva) dessa conexão de uma tesoura de uma cobertura metálica, a hipótese é que com a carga de tração aplicada tenha ocorrido ruptura por cisalhamento de bloco. Os valores da área cisalhada líquida e da área tracionada líquida são, em cm2, respectivamente:
Os sanitários, banheiros e vestiários acessíveis devem obedecer aos parâmetros da Norma Técnica NBR 9050 − Acessibilidade a edificações, mobiliário, espaços e equipamentos urbanos. Sobre os sanitários acessíveis, é correto afirmar:
A determinação do nível de precaução e mitigação do efeito da reação álcali-agregado (RAA) em determinado elemento de concreto, estrutural ou não, depende da realização de uma análise de risco da ocorrência da RAA e, portanto, do comprometimento de seu desempenho durante a vida útil. Sobre a análise de risco de ocorrência da RAA, é correto afirmar:
Nos projetos de estação de tratamento de água para abastecimento público, os decantadores são unidades destinadas à remoção de partículas presentes na água, pela ação da gravidade. Considere os dados a seguir.
Dados:
− Taxa de aplicação superficial no decantador: 50 m3/m2 × dia
− Profundidade útil do decantador: 5 m
A vazão linear das calhas de coleta de água decantada, em litro/s × m, é:
Segundo a ABNT NBR 12209 − Elaboração de projetos hidráulico-sanitários de estações de tratamento de esgotos sanitários, na decantação primária, a tubulação de remoção de lodo deve ter diâmetro mínimo de X mm; a tubulação de transporte de lodo no escoamento por condutos livres deve ter declividade mínima de Y%, a remoção de lodo do fundo deve preferencialmente, ser feita de modo a permitir a observação e controle do lodo removido.