Foram encontradas 2.450 questões.

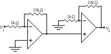
Com relação ao circuito acima, considerando que todos os componentes são ideais, julgue os itens seguintes.
A impedância de saída do circuito é igual a 10 kΩ.
Provas

Com relação ao circuito acima, considerando que todos os componentes são ideais, julgue os itens seguintes.
Devido à realimentação negativa, a impedância de entrada, vista a partir do terminal de entrada, Vi, é infinita.
Provas

Com relação ao circuito acima, considerando que todos os componentes são ideais, julgue os itens seguintes.
O ganho total do circuito, !$ \dfrac{V_0}{V_1} !$, é igual a −110.
Provas

A respeito do circuito acima, é correto afirmar que
o valor da corrente I é igual a 1 A.
Provas
Um sistema via satélite geoestacionário transparente (bent-pipe) opera na banda Ku e possui estações terrenas com distância máxima ao satélite de 38.000 km. Esse sistema opera com uma razão entre a potência do sinal, por canal transmitido, e a potência de ruído térmico !$ \dfrac{C}{N} !$ total, considerando os enlaces de subida e de descida, superior a 17 dB. A transmissão nesse sistema é do tipo QPSK e se garante uma BER (bit error rate) inferior ou igual 10–6.
Com referência ao sistema descrito acima, julgue os itens subseqüentes.
Sabendo que o sistema apresenta uma relação entre a potência do sinal, por canal transmitido, e a potência total de fontes interferentes !$ \dfrac{C}{I} !$ igual a 40 dB, então, caso essa relação fosse degradada em 3 dB, devido à subida em órbita de novos satélites, haveria, com base nos dados apresentados, um aumento de duas vezes da BER do sistema.
Provas
Um sistema via satélite geoestacionário transparente (bent-pipe) opera na banda Ku e possui estações terrenas com distância máxima ao satélite de 38.000 km. Esse sistema opera com uma razão entre a potência do sinal, por canal transmitido, e a potência de ruído térmico !$ \dfrac{C}{N} !$ total, considerando os enlaces de subida e de descida, superior a 17 dB. A transmissão nesse sistema é do tipo QPSK e se garante uma BER (bit error rate) inferior ou igual 10–6.
Com referência ao sistema descrito acima, julgue os itens subseqüentes.
Se os transponders do satélite são acessados por diversas portadoras em um esquema FDMA, então uma forma correta de se reduzir o ruído de intermodulação gerado na amplificação de potência no satélite é o uso da técnica denominada back-off.
Provas
Um sistema via satélite geoestacionário transparente (bent-pipe) opera na banda Ku e possui estações terrenas com distância máxima ao satélite de 38.000 km. Esse sistema opera com uma razão entre a potência do sinal, por canal transmitido, e a potência de ruído térmico !$ \dfrac{C}{N} !$ total, considerando os enlaces de subida e de descida, superior a 17 dB. A transmissão nesse sistema é do tipo QPSK e se garante uma BER (bit error rate) inferior ou igual 10–6.
Com referência ao sistema descrito acima, julgue os itens subseqüentes.
Se as antenas terrestres do sistema tivessem seus diâmetros multiplicados por um fator igual a !$ \sqrt{2} !$, caso os outros parâmetros fossem mantidos e desconsiderando degradações que podem ocorrer em decorrência desse aumento, tais como erros de apontamento, a relação !$ \dfrac{C}{N} !$, total do sistema seria aumentada em 6 dB em enlaces interligando duas estações terrestres do sistema.
Provas
Um sistema via satélite geoestacionário transparente (bent-pipe) opera na banda Ku e possui estações terrenas com distância máxima ao satélite de 38.000 km. Esse sistema opera com uma razão entre a potência do sinal, por canal transmitido, e a potência de ruído térmico !$ \dfrac{C}{N} !$ total, considerando os enlaces de subida e de descida, superior a 17 dB. A transmissão nesse sistema é do tipo QPSK e se garante uma BER (bit error rate) inferior ou igual 10–6.
Com referência ao sistema descrito acima, julgue os itens subseqüentes.
Esse sistema teria uma maior degradação devido à despolarização na ionosfera caso operasse na banda C em vez da banda Ku.
Provas
Considere um sistema de comunicação que opera com a técnica CDMA, espalhando um sinal de informação de 9,6 kbps em uma banda de freqüências de 2 MHz. A técnica utilizada no processo de espalhamento é a denominada seqüência direta, em que se está utilizando uma seqüência pseudo-aleatória de máximo-comprimento. Antes do espalhamento espectral, o sinal de informação é codificado utilizando-se uma codificação de canal do tipo BCH (Bose-Chaudhuri-Hocquenghem) com taxa de codificação igual a !$ \dfrac{6}{31} !$. A técnica de modulação utilizada na transmissão do sinal é a BPSK com filtragem do tipo cosseno-levantado de fator de rolloff igual a 0,25.
A respeito do sistema descrito acima, julgue os itens a seguir.
Se a técnica de modulação fosse a QPSK em vez da BPSK, então, se a banda do sistema é compartilhada com outros N sinais com as mesmas características, o valor de N deverá ser reduzido pela metade, caso se deseje manter os parâmetros e requisitos iniciais do sistema.
Provas
Considere um sistema de comunicação que opera com a técnica CDMA, espalhando um sinal de informação de 9,6 kbps em uma banda de freqüências de 2 MHz. A técnica utilizada no processo de espalhamento é a denominada seqüência direta, em que se está utilizando uma seqüência pseudo-aleatória de máximo-comprimento. Antes do espalhamento espectral, o sinal de informação é codificado utilizando-se uma codificação de canal do tipo BCH (Bose-Chaudhuri-Hocquenghem) com taxa de codificação igual a !$ \dfrac{6}{31} !$. A técnica de modulação utilizada na transmissão do sinal é a BPSK com filtragem do tipo cosseno-levantado de fator de rolloff igual a 0,25.
A respeito do sistema descrito acima, julgue os itens a seguir.
A seqüência direta utilizada no espalhamento do sinal de informação deve ter uma taxa de transmissão inferior a 2 Mcps.
Provas
Caderno Container