Foram encontradas 2.450 questões.

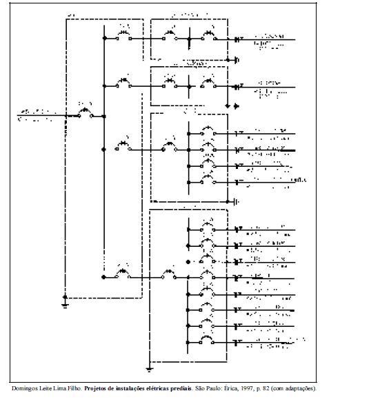
A figura acima mostra o diagrama unifilar de parte da instalação elétrica que alimenta os quadros de um condomínio de apartamentos. luz das prescrições da NBR 5410, julgue os itens subseqüentes, relativos a essa instalação elétrica.
Os condutores de proteção de cada um dos circuitos terminais alimentados pelos quadros QF e QL devem ter origem no aterramento do respectivo quadro, sendo que os aterramentos desses quadros devem ser independentes.
Provas

A figura acima mostra o diagrama unifilar de parte da instalação elétrica que alimenta os quadros de um condomínio de apartamentos. luz das prescrições da NBR 5410, julgue os itens subseqüentes, relativos a essa instalação elétrica.
Se a tensão nominal dessa instalação for 380 V, é correto afirmar que ela possui transformadores de corrente auxiliares para a medição de consumo de energia elétrica.
Provas

Na figura acima, relativa a uma instalação elétrica que alimenta cinco motores de indução trifásicos, In é a corrente nominal de cada motor. Com relação a essa instalação, julgue os itens que se seguem.
É possível combinar os diagramas de controle desses motores de modo que os contatos de força dos contatores, que acionam os dois motores de maior potência, não passem do estado aberto ao estado fechado simultaneamente.
Provas

Na figura acima, relativa a uma instalação elétrica que alimenta cinco motores de indução trifásicos, In é a corrente nominal de cada motor. Com relação a essa instalação, julgue os itens que se seguem.
Para a proteção do alimentador dos ramais, seria adequado utilizar fusíveis de 135 A.
Provas

Na figura acima, relativa a uma instalação elétrica que alimenta cinco motores de indução trifásicos, In é a corrente nominal de cada motor. Com relação a essa instalação, julgue os itens que se seguem.
A instalação apresenta relé térmico em cada ramal, todos eles com o mesmo fator de ajuste para a corrente nominal dos motores, pois não há razão para a diferenciação desse fator para motores com baixos valores de potência nominal.
Provas

Com base nessa situação, julgue os itens a seguir.

Provas

Com base nessa situação, julgue os itens a seguir.
Um outro ramal formado por um transformador Dy5 e por um motor de indução trifásico, com potências equivalentes às dos equipamentos originais, não poderia ser ligado à barra do gerador, pois os dois transformadores citados não possuem o mesmo defasamento angular.
Provas

Com base nessa situação, julgue os itens a seguir.
No ponto de operação indicado, o gerador apresenta regulação de tensão positiva.
Provas

Com base nessa situação, julgue os itens a seguir.
No ponto de operação indicado, o transformador opera sem sobrecarga.
Provas

Com base nessa situação, julgue os itens a seguir.
A corrente de partida do motor é superior a 1.000 A.
Provas
Caderno Container