Foram encontradas 760 questões.
Acerca dos principais dispositivos utilizados em eletrônica analógica e digital, julgue o item a seguir.
Tensão de joelho de um diodo é aquela que permite a passagem da corrente direta máxima do diodo.
Provas
Julgue o seguinte item, relativos a acionamentos e controles elétricos.
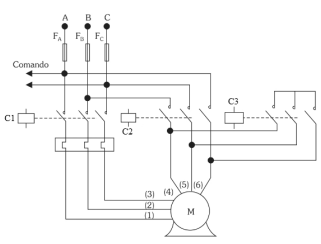
Considere-se que um motor de indução trifásico, com acionamento estrela-triângulo, com tensão de operação igual a 380 V, possua razão entre corrente de partida e corrente de operação igual a 7,5 e corrente de operação a 380 V igual a 150 A. Com base nessa situação hipotética, é correto afirmar que a corrente de partida desse motor é maior que 1 kA, que os contatores C1 e C2 devem suportar, no mínimo, 80 A e que a chave C3 deve suportar, no mínimo, 40 A.
Provas
Julgue o seguinte item, relativos a acionamentos e controles elétricos.
O diagrama seguinte representa corretamente uma chave de partida estrela-triângulo de um motor de indução.

Provas
Julgue o seguinte item, relativos a acionamentos e controles elétricos.
A partir do projeto de motor elétrico apresentado na figura a seguir, é correto afirmar que uma falha à terra no circuito não causará o acionamento do motor.

Provas
Julgue o seguinte item, relativos a acionamentos e controles elétricos.
O melhor método para proporcionar proteção contra sobrecorrente para o circuito de acionamento de um motor elétrico é o uso de disjuntores que combinem proteção de sobrecorrente de curto-circuito e proteção de falha à terra.
Provas
Com relação a máquinas elétricas, julgue o item a seguir.
A velocidade de rotação de um motor de indução de corrente alternada depende da frequência da fonte de alimentação do motor e é diretamente proporcional ao número de polos que o motor possui.
Provas
A respeito de estequiometria, processo de fabricação, corrosão e soldagem, julgue o item a seguir.
Na soldagem TIG, pequenos glóbulos de metal são transferidos para uma poça de metal que se estabelece na peça, assim o eletrodo é consumido sob a proteção do gás inerte.
Provas
No que se refere a automação industrial, julgue o item subsequente.
A figura a seguir é exemplo de diagrama lógico utilizado em controlador lógico programável, componente muito utilizado em automação industrial.

Provas
No que se refere a automação industrial, julgue o item subsequente.
Apesar de ser um componente com muitos recursos, um controlador lógico programável possui como limitação o fato de não conseguir acionar motores elétricos por meio de contatores de potência.
Provas
Julgue o seguinte item, a respeito de eletrônica analógica e digital.
Uma das principais características da eletrônica digital reside no fato de ela trabalhar com sinais que podem ter qualquer valor entre o limite mínimo e o limite máximo.
Provas
Caderno Container