Foram encontradas 3.167 questões.
Em uma instalação elétrica industrial de pequeno porte, a opção escolhida pelo proprietário foi utilizar dois tipos de lâmpadas, em função das necessidades do ambiente de trabalho. O proprietário optou por lâmpadas fluorescentes e lâmpadas de vapor de sódio. Sobre esses tipos de lâmpadas, julgue o item subseqüente.
Os dois tipos de lâmpadas escolhidos pelo proprietário são consideradas lâmpadas de descarga.
Provas

Com relação ao diagrama apresentado, julgue o item que se segue.
As letras AI 1, AI 2, AI 3 do bloco de controle digital são entradas digitais.
Provas
Considere que um gerador síncrono seja instalado próximo a uma localidade, para auxiliar no suprimento diário de energia elétrica a pequenas cargas, e esteja sincronizado a um sistema elétrico de grande porte, cuja freqüência nominal seja igual a 60 Hz. A respeito dessa situação, julgue os itens que se seguem.
Caso não estivesse sincronizado ao sistema de grande porte, o gerador poderia operar sem restrições em uma faixa tolerável com variações entre ± 5% de sua freqüência nominal e atender as pequenas cargas.
Provas

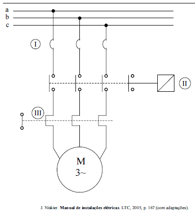
A figura acima mostra um circuito de força típico para alimentação de um motor de indução trifásico. Com relação à simbologia utilizada para representar os elementos desse circuito e à finalidade de cada um desses elementos, julgue o item subseqüente.
Considere que ocorra um curto-circuito em somente uma das fases do circuito de força do motor mencionado. Nessa situação, o elemento
deve atuar como dispositivo de proteção e ser capaz de desligar somente a fase submetida ao defeito.
Provas
Na indústria, um dos métodos mais utilizados para se medir vazão está embasado na placa de orifício. Com relação a esse assunto, julgue os itens que se seguem.
A figura a seguir apresenta corretamente o esquema da malha de medição do referido método.

Provas

J. Niskier. Manual de instalações elétricas. LTC, 2005, p. 51.
A figura acima mostra os detalhes dos circuitos de alimentação de uma instalação elétrica de parte de uma residência. Os circuitos são utilizados em outras dependências da residência não detalhadas na figura. Com referência à planta elétrica da instalação mostrada, julgue o próximo item.
Internamente a cada eletroduto passa fisicamente um único condutor neutro, embora existam dois circuitos independentes indicados na planta.
Provas
A respeito das normas NBR-5410/2004 e NBR-5419/2001, julgue os itens a seguir.
A NBR-5419/2001 estabelece o valor máximo de resistência que o solo pode ter diante da passagem de corrente elétrica.
Provas

Niskier. Manual de instalações elétricas. LTC, 2005, p. 167 (com adaptações).
A figura acima mostra um circuito de força típico para alimentação de um motor de indução trifásico. Com relação à simbologia utilizada para representar os elementos desse circuito e à finalidade de cada um desses elementos, julgue o item subseqüente.
Considere que ocorra um curto-circuito em somente uma das fases do circuito de força do motor mencionado. Nessa situação, o elemento
deve atuar como dispositivo de proteção e ser capaz de desligar somente a fase submetida ao defeito.
Provas
Considerando que um processo industrial requeira a utilização de um motor de indução trifásico em gaiola, e que esse motor demande elevada corrente de partida, podendo atingir potência máxima de serviço de até 10 kW, julgue os itens a seguir.
É inadequado usar fusíveis como elemento de proteção no circuito de força desse motor, pois, durante a partida, as correntes elevadas danificariam esses dispositivos.
Provas
Uma instalação elétrica constituída de duas cargas trifásicas é alimentada por meio de uma rede de energia elétrica trifásica com tensões equilibradas e simétricas. A tensão de linha da rede é igual a 100 V. Uma das cargas absorve 1 kVA, com fator de potência indutivo igual a 0,8. A outra carga é puramente resistiva e absorve 2 kVA. Com base nessas informações, julgue os itens que se seguem.
No total, a rede de energia elétrica fornece 3 kVA às cargas.
Provas
Caderno Container