Foram encontradas 3.167 questões.

A. A. M. B. Cotrim. Instalações elétricas. Makron
Books, 3.ª ed., 1993, p. 17 (com adaptações).
A figura acima mostra o esquema básico de entrada de serviço de uma unidade consumidora de energia elétrica em baixa tensão. A respeito das indicações na figura e de níveis padronizados de tensão em baixa tensão, julgue o item que se segue.
Os pontos I e III são denominados ponto de derivação da rede e ponto de entrega, respectivamente.
Provas

A figura acima mostra um circuito muito utilizado em instrumentação eletrônica. Considerando que todos os componentes que constituem o circuito sejam ideais e que os amplificadores sejam alimentados por fontes simétricas de +12 V e !12 V, julgue o item subseqüente.
A tensão de saída —!$ v_s !$ — pode ser expressa por !$ v_s=\dfrac{2R_2+R_1}{R_1}\dfrac{R_4}{R_3}(v_2-v_1) !$.
Provas
O refino do petróleo bruto constitui uma série de operações de beneficiamento para a obtenção de produtos específicos. Refinar petróleo, portanto, é separar dele as frações desejadas, processálas e industrializá-las em produtos comerciais. A respeito dessas operações, julgue o item subseqüente.
Petróleos leves fornecem, em alto rendimento, óleo combustível.
Provas
Na classificação de eletrodos revestidos adotada pelas especificações AWS A.5.1 e A 5.5, utiliza-se a simbologia seguinte.
AWS E XXYZ - Q Com relação ao símbolo acima, julgue os próximos itens.A letra Q, após o hífen, não é utilizada no caso de eletrodos de aço doce.
Provas

A figura acima mostra um circuito resistivo alimentado por tensão contínua. Considerando que a queda de tensão sobre o resistor de resistência R seja igual a 25 V, julgue o próximo item.
O valor da corrente I1 é igual a !$ \dfrac{2}{7}I_T !$.
Provas

A figura acima mostra um circuito muito utilizado em instrumentação eletrônica. Considerando que todos os componentes que constituem o circuito sejam ideais e que os amplificadores sejam alimentados por fontes simétricas de +12 V e !12 V, julgue o item subseqüente.
A tensão !$ v_A !$ pode ser expressa por !$ v_A=\dfrac{R_1+R_2}{R_1}v_1-\dfrac{R_2}{R_1}v_2 !$.
Provas

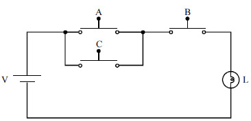
A figura acima mostra um circuito elétrico composto de uma lâmpada L, de uma bateria V e de três interruptores A, B e C, inicialmente, na posição aberta ou desligada. Considere que os estados de operação dos interruptores e da lâmpada possam ser representados, respectivamente, pelas variáveis lógicas A, B, C, e L, em que os estados ligado e desligado dos elementos do circuito sejam representados pelos valores booleanos 1 e 0, respectivamente. A partir dessas informações, julgue o item seguinte.
Na situação de energização e falha de isolamento, a carcaça aterrada fica submetida, em relação à terra, a um potencial diferente daquele que a carcaça teria caso não fosse aterrada.
Provas
Na indústria, um dos métodos mais utilizados para se medir vazão está embasado na placa de orifício. Com relação a esse assunto, julgue os itens que se seguem.
Provas

Considerando a figura acima, que representa o laço de histerese de determinado material ferromagnético, em que B é a indução magnética e H, a intensidade do campo magnético, julgue o item a seguir.
Os pontos X e Y mostrados na figura são denominados, respectivamente, força coerciva e retentividade (remanência) do material ferromagnético.
Provas

A figura acima mostra um circuito elétrico representativo de uma carga monofásica alimentada por uma fonte senoidal, cuja tensão eficaz é igual a 200 V. Considere que a freqüência do sinal de tensão seja igual a 60 Hz e que !$ j=\sqrt{-1} !$ e !$ \pi !$ = 3,14. A partir dessas informações, julgue o seguinte item.
A carga apresenta fator de potência indutivo.
Provas
Caderno Container