Foram encontradas 2.276 questões.

Provas
A geração de energia elétrica é normalmente realizada por meio de geradores síncronos, em tensão alternada e trifásica. Acerca desse processo de geração, julgue o item subseqüente.
Em uma situação de emergência, baterias conectadas a circuitos de inversores adequadamente projetados podem suprir uma carga em corrente alternada.
Provas
Julgue o item subseqüente, acerca de sistemas de energia elétrica em corrente alternada.
Os sistemas supridos em baixa tensão devem ser dotados de esquemas de proteção contra harmônicos.
Provas
Julgue o item que se segue, relativos à proteção de sistemas elétricos industriais.
Um circuito terminal que alimente um só motor deve ser protegido contra curto-circuito por meio de fusíveis do tipo NH ou por disjuntores sem dispositivo de disparo magnético.
Provas
Com relação a transformadores com óleo isolante, julgue o item seguinte.
Segundo as normas brasileiras, a conexão em paralelo de quaisquer dois transformadores monofásicos de dois enrolamentos deve ser feita da seguinte forma: conectar, dois a dois, os terminais de mesmo nome dos dois transformadores, ou seja, H1 com H1, H2 com H2, X1 com X1, X2 com X2.
Provas

A figura acima mostra os diagramas de comando e de força de um motor de indução trifásico de uma instalação elétrica. O motor é utilizado para bombear água de um reservatório inferior para um outro superior. O circuito de comando é convenientemente ligado entre duas das fases do ramal de alimentação do motor, conforme indicado na figura. Com base nesse diagrama, julgue o item que se segue.
Considerando que o motor encontre-se em plena rotação há algum tempo, nesse caso, ao se pressionar a botoeira liga, em condições normais, nenhuma modificação deverá ocorrer no comportamento do motor.
Provas
Provas

Provas
As isolações dos condutores são caracterizadas por um limite máximo de temperatura em regime de serviço contínuo. Em relação à isolação de condutores, julgue o item a seguir.
Não há diferença entre a temperatura máxima em regime de serviço contínuo do condutor com isolação de cloreto de polivinila (PVC) e a do condutor com isolação de polietileno reticulado (XLPE). A diferença básica entre os dois tipos de material isolante está no custo.
Provas

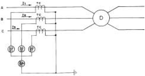
João Mamede Filho. Manual de equipamentos elétricos. LTC, Vol. 1, 1994, p. 341.
A figura acima mostra o esquema de ligação de relés de sobrecorrente do tipo indução utilizados para a proteção de circuito. Esses relés detectam uma falta e fazem atuar o disjuntor trifásico D. Em relação ao esquema de proteção, julgue o item que se segue.
Nessa configuração, as unidades de neutro não devem atuar, caso as faltas no trecho protegido sejam do tipo fase-terra.
Provas
Caderno Container