Foram encontradas 100 questões.
Com relação a medidas elétricas, julgue o item abaixo.
Dois wattímetros monofásicos analógicos podem ser utilizados para a determinação da potência consumida por uma carga trifásica desequilibrada.
Provas
Questão presente nas seguintes provas
Com relação a medidas elétricas, julgue o item abaixo.
Considere que uma tensão de referência igual a 100 V tenha sido medida por um voltímetro, que indicou 102 V. Nesse caso, a indicação do voltímetro foi feita com erro absoluto de 2 V, por excesso.
Provas
Questão presente nas seguintes provas
Com relação a medidas elétricas, julgue o item abaixo.
A má aferição de um instrumento de medida provoca erro classificado como erro sistemático.
Provas
Questão presente nas seguintes provas
Disjuntores destinados à manobra e à proteção de circuitos primários em redes elétricas de distribuição atuam associados a relés, sem os quais seriam simples chaves com alto poder de interrupção. Acerca dos equipamentos mencionados em um circuito primário de distribuição, julgue o item a seguir.
No caso de rede elétrica para atender instalação em ambiente de atmosfera explosiva, os relés de proteção são ajustados de modo que somente as suas unidades instantâneas atuem. As unidades temporizadas são desabilitadas, porque podem interferir na atuação de disjuntores no lado de baixa tensão da instalação.
Provas
Questão presente nas seguintes provas
Um pára-raios a resistor não-linear foi instalado em uma rede elétrica de distribuição para fins de proteção contra sobretensão provocada por descargas atmosféricas ou por chaveamento da rede. Em relação às características desse equipamento, julgue o item que se segue.
Esse tipo de equipamento é dotado de um dispositivo denominado protetor contra sobrepressão.
Provas
Questão presente nas seguintes provas
A respeito de aspectos de manutenção de um transformador com óleo isolante, julgue o item seguinte.
A rigidez dielétrica é uma grandeza que deve estar sendo constantemente testada em amostras de óleo isolante extraídas do tanque do transformador.
Provas
Questão presente nas seguintes provas

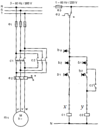
Hélio Creder. Instalações elétricas. 14.ª ed. Rio de Janeiro: LTC, 2000, p. 249 (com adaptações).
Julgue o item que se segue, a respeito da figura acima, que mostra os diagramas de força e de controle do acionamento de um motor de indução trifásico com reversão do sentido de rotação.
Com todos os componentes funcionando perfeitamente, uma sobrecarga no motor tem o efeito de acionar o relé térmico e2 do diagrama de força, cuja atuação abre o contato normalmente fechado e2 do diagrama de controle, desenergizando a bobina de contator energizada. Com isso, os contatos de força desse contator seriam abertos, desligando o motor.
Provas
Questão presente nas seguintes provas
Com relação a máquinas elétricas de corrente contínua (CC), julgue o item abaixo.
Uma falha na conexão do reostato de campo com o enrolamento de campo de um gerador CC em conexão shunt pode impedir que o gerador consiga apresentar tensão nominal nos terminais de carga, mesmo estando a vazio.
Provas
Questão presente nas seguintes provas
Uma carga trifásica equilibrada, em triângulo, é ligada a uma rede elétrica trifásica equilibrada e simétrica, cuja tensão de linha é igual a 220 V eficazes. Sabe-se que a carga absorve potência de 2,2 kW e apresenta fator de potência unitário. Acerca desse assunto, julgue o item a seguir.
A corrente de linha para alimentação da carga é igual a 10 A.
Provas
Questão presente nas seguintes provas
A respeito de aterramento elétrico, julgue o item subseqüente.
Segundo as normas brasileiras, os possíveis eletrodos de aterramento incluem condutores nus, hastes, tubos e armações metálicas do concreto.
Provas
Questão presente nas seguintes provas
Cadernos
Caderno Container