Foram encontradas 60 questões.
- EletromagnetismoElétricaCircuitos Elétricos Especiais: Leis de Kirchhoff e Ponte de Wheatstone
- EletromagnetismoElétricaEletricidade
- EletromagnetismoElétricaResistores e Potência Elétrica
Uma máquina utiliza um pequeno aquecedor composto por um resistor de potência e tensão nominais 15,0 W e 9,00 V. Para alimentar o aquecedor, é utilizada uma fonte de corrente contínua ideal de 30,0 V em série com um resistor R, como mostra a Figura abaixo.

O valor aproximado da resistência elétrica de R, em Q, para que o aquecedor trabalhe com potência e tensão nominais, é
Provas
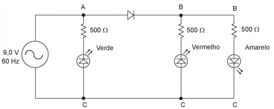
O circuito da Figura abaixo utiliza uma fonte de tensão alternada para alimentar três LEDs.

Entretanto, ao ligar o circuito, o técnico observou que nem todos os LEDs estavam emitindo luz.
Uma alteração no circuito que faria com que todos os LEDs emitissem luz seria
Provas
- Mecânica ClássicaDinâmicaLeis de Newton
- Mecânica ClássicaDinâmicaMáquina de Atwood e Associação de Blocos
O elevador mostrado na Figura abaixo é utilizado para ajudar operários a transportar sacos de cimento do alto de uma plataforma para o chão.

O sistema é abandonado, a partir do repouso, da posição mostrada na Figura, e a cabine desce em trajetória vertical.
Se os atritos são desprezíveis e os cabos ideais, os valores aproximados da tração na corda e aceleração da cabine, durante a descida, são, respectivamente, em N e m -s2,
Dados
aceleração da gravidade g = 10,0 m .s2;
massa do contrapeso = 25,0 kg;
massa da cabine = 5,00 kg;
massa do saco de cimento = 50,0 kg.
Provas
Em plantas industriais, a temperatura é uma variável importante, que pode ser usada para monitorar a pureza de um produto ou a conversão de uma reação, sendo bastante comum o uso do instrumento termopar para sua medição.
O termopar é um sensor de temperatura que consiste em
Provas
Considere dois feixes monocromáticos da região espectral do visível, sendo o primeiro com comprimento de onda (λ1) de 638 nm, e o segundo (λ2) de 510 nm.
Quando são comparados, conclui-se que a radiação do primeiro, em relação à do segundo, tem maior
Dados
Constante de Planck
h = 6,6 x 10-34 J s
Velocidade da luz no vácuo
v = 3 x 108 m s-1
Provas
Uma corrente a montante da válvula está em fase líquida na temperatura T0 e pressão P0. A corrente contém uma substância pura, cuja pressão de vapor da T0 é Pv(T0).
A perda de carga na válvula reduz a pressão em 30%.
Desprezando-se efeitos térmicos devido ao atrito pela perda de carga, ao atravessar a válvula adiabática, a corrente
Provas
O controle de um determinado processo industrial exige o monitoramento de um pequeno intervalo de temperaturas. Para isto, foi construído um termômetro com uma escala linear X. Nesta escala, 0 °X corresponde a 20,000 °C, e 100,00 °X corresponde a 20,500 oC.
O valor em °X correspondente a 20,150 °C é
Provas
Em uma determinada pesquisa, é necessário levar à superfície uma caixa de 200 kg e 8,00 x 10-2 m3 que se encontra no fundo do mar. Para facilitar a subida, amarra-se à caixa um balão inextensível totalmente cheio de ar. Dessa forma, o conjunto sobe com velocidade constante.
Desprezando-se o peso do balão e do ar no seu interior, bem como a viscosidade do mar, o valor aproximado do volume do balão, em m3, é
Dados aceleração da gravidade = 10,0 m-s~2
densidade da água do mar = 1,00 x 103 kg-m 3
Provas
- Química InorgânicaSoluções e Substâncias InorgânicasSubstâncias Inorgânicas: dissociação iônica e ionização, conceitos de ácido-base
As substâncias inorgânicas possuem diversas aplicações: o Aℓ2(SO4)3 é utilizado em uma das etapas do tratamento de água, o H2SO4 é matéria-prima para produção de fertilizantes, o Aℓ (OH)3 é empregado em medicamentos, e o Aℓ2O3 é utilizado na fabricação de materiais cerâmicos.
A respeito dessas substâncias, verifica-se que o
Provas
Um vaso de 3 m3 contendo uma mistura de hidrocarbonetos, hermeticamente fechado, opera inicialmente a 3 x 105 Pa. Sem haver entrada ou saída de material, o vaso sofre uma remoção de calor de 895 kJ, mediante um sistema de resfriamento, tendo sua pressão reduzida para 2,8 x 105 Pa.
Nessa condição, a variação da entalpia do vaso, em kJ, foi de
Provas
Caderno Container