Foram encontradas 60 questões.
As afirmativas a seguir referem-se a Comissão Interna de Prevenção de Acidentes - CIPA.
Tem-se que a CIPA
Provas
Questão presente nas seguintes provas
A área de segurança e higiene do trabalho investiga, através de metodologias e técnicas próprias, as possíveis causas de acidentes do trabalho, e objetiva a prevenção das suas consequências.
Considere as afirmações a seguir relacionadas com a segurança e higiene do trabalho.
I - A saúde ocupacional refere-se aos estudos sistemáticos em engenharia de segurança, visando a promover e proteger a integridade física dos equipamentos e do local de trabalho.
II - Atividade insalubre é a ocupação na qual o trabalhador fica exposto, acima do limite de tolerância, a um agente nocivo à sua saúde.
III - Os equipamentos de proteção individual (EPI) e os de proteção coletiva (EPC) evitam o contato e/ou a exposição a riscos.
IV - Os sistemas de exaustão são considerados equipamentos de proteção individual (EPI).
É correto APENAS o que se apresenta em
Provas
Questão presente nas seguintes provas
A NBR 5419/2005 apresenta os diversos tipos de estruturas e os equivalentes níveis de proteção que devem ser observados durante o projeto de proteção de tais estruturas contra descargas atmosféricas.
Associe as estruturas aos seus respectivos níveis de proteção presentes na NBR 5419/2005
I - escolas, teatros, igrejas
II - indústrias químicas, petroquímicas, usinas nucleares
III - depósito de areia, brita
P (nível 1) - mais severo quanto à perda de patrimônio (construções protegidas); falha no sistema de para-raios pode provocar danos às estruturas adjacentes.
Q (nível 2) - construções protegidas, cuja falha no sistema de para- -raios pode ocasionar perdas de bens de estimável valor ou provocar pânico aos presentes, porém sem nenhum dano para as construções adjacentes.
R (nível 3) - construções de uso comum.
S (nível 4) - construções onde não é rotineira a presença de pessoas, normalmente feitas de material não inflamável.
As associações corretas são:
Provas
Questão presente nas seguintes provas
Para a execução de tarefas em ambientes confinados, sujeitos a níveis muito altos de ruído, gases e vapores tóxicos ou partículas em suspensão, devem-se tomar certos cuidados com a proteção individual dos trabalhadores.
Os dispositivos de EPI que devem ser utilizados para a execução de atividades nesses ambientes são:
Provas
Questão presente nas seguintes provas
Para se efetuarem serviços de manutenção em uma subestação, sem que seja necessário tirá-la de serviço por algum tempo, são utilizados dispositivos ou equipamentos de proteção individual para os trabalhadores.
Tais dispositivos ou equipamentos são:
Provas
Questão presente nas seguintes provas
De acordo com a NR 10, os serviços em instalações elétricas devem ser planejados e realizados em conformidade com procedimentos de trabalho específicos, padronizados, com descrição detalhada de cada tarefa, passo a passo, assinados por profissional que atenda ao que estabelece essa NR.
Na figura abaixo, estão indicadas quatro regiões que demarcam a atuação de profissionais qualificados para o trabalho, levando em consideração a segurança dos trabalhadores.

As regiões indicadas por Z1, Z2, Z3 e Z4 recebem, respectivamente, as denominações de
Provas
Questão presente nas seguintes provas
De acordo com a NR 10, nas instalações elétricas de áreas classificadas ou sujeitas a risco acentuado de incêndio ou explosões, devem ser adotados dispositivos de proteção, como alarme e seccionamento automático para prevenir, dentre outras condições anormais de operação,
Provas
Questão presente nas seguintes provas
Com a finalidade de reduzir o gradiente de potencial que surge em torno da área seccionada do cabo, usa-se um dispositivo destinado a restabelecer as condições de isolação da extremidade de um condutor isolado, quando ele é conectado a um condutor nu ou a um terminal para ligação a um equipamento elétrico, em média tensão.
Tal dispositivo é denominado pelas concessionárias de energia de
Provas
Questão presente nas seguintes provas

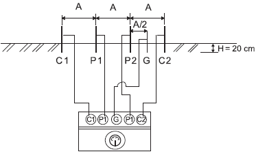
A figura apresenta a colocação de quatro eletrodos de testes em linha, separados por uma distância A e enterrados em um solo a uma profundidade de 20 cm. Esses eletrodos são ligados aos terminais de um equipamento, no qual C1 e C2 correspondem a terminais de corrente, e P1 e P2, a terminais de potencial. O terminal G corresponde ao terminal guarda, cuja finalidade é minimizar os efeitos das correntes parasitas de valor elevado que possam distorcer o valor dos resultados finais obtidos no instrumento. Dessa maneira, será possível efetuar a medição da resistividade do solo, através das medições de resistência indicadas no instrumento.
O método descrito recebe o nome de método de
Provas
Questão presente nas seguintes provas

Os materiais e as ferramentas acima são utilizados em serviços nos sistemas de aterramento que envolve soldagem, nas instalações elétricas.
Em ordem numérica crescente, comercialmente, são denominados de
Provas
Questão presente nas seguintes provas
Cadernos
Caderno Container