Magna Concursos

Foram encontradas 120 questões.

1245373 Ano: 2012
Disciplina: Engenharia Eletrônica
Banca: CESPE / CEBRASPE
Orgão: PEFOCE

enunciado 1245373-1

Com base na figura acima, julgue os itens seguintes.

Entre as memórias auxiliares de massa, inclui-se a memória cache.

 

Provas

Questão presente nas seguintes provas
1245372 Ano: 2012
Disciplina: Engenharia Eletrônica
Banca: CESPE / CEBRASPE
Orgão: PEFOCE

enunciado 1245372-1

Com base na figura acima, julgue os itens seguintes.

Em uma memória principal do tipo RAM (random access memory, ou memória de acesso aleatório), o tempo de acesso é o mesmo para qualquer endereço.

 

Provas

Questão presente nas seguintes provas
1245371 Ano: 2012
Disciplina: Engenharia Eletrônica
Banca: CESPE / CEBRASPE
Orgão: PEFOCE

Acerca de circuitos digitais, julgue os itens subsecutivos.

Os números 10001001, 221 e 89, em base binária, octal e hexadecimal, respectivamente, correspondem ao número decimal 137.

 

Provas

Questão presente nas seguintes provas
1245370 Ano: 2012
Disciplina: Engenharia Eletrônica
Banca: CESPE / CEBRASPE
Orgão: PEFOCE

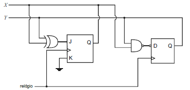
Acerca de circuitos digitais, julgue os itens subsecutivos.

Se o estado atual da máquina de estado apresentada a seguir for X = 1 e Y = 0, então, após um ciclo completo do relógio, o estado será X = 0 e Y = 1.

enunciado 1245370-1

 

Provas

Questão presente nas seguintes provas
1245369 Ano: 2012
Disciplina: Engenharia Eletrônica
Banca: CESPE / CEBRASPE
Orgão: PEFOCE

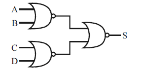
Acerca de circuitos digitais, julgue os itens subsecutivos.

O circuito a seguir implementa corretamente a expressão booliana S = (A+B)x(C+D).

enunciado 1245369-1

 

Provas

Questão presente nas seguintes provas
1245368 Ano: 2012
Disciplina: Engenharia Eletrônica
Banca: CESPE / CEBRASPE
Orgão: PEFOCE

enunciado 1245368-1

No circuito II, vo = v1 + v2.

 

Provas

Questão presente nas seguintes provas
1245367 Ano: 2012
Disciplina: Engenharia Eletrônica
Banca: CESPE / CEBRASPE
Orgão: PEFOCE

enunciado 1245367-1

No circuito II, vo = v1 – v2.

 

Provas

Questão presente nas seguintes provas
1245366 Ano: 2012
Disciplina: Engenharia Eletrônica
Banca: CESPE / CEBRASPE
Orgão: PEFOCE

De acordo com as condições de Barkhausen, para que um circuito funcione como oscilador,

o ganho do circuito em malha fechada deve ser igual a 1.

 

Provas

Questão presente nas seguintes provas
1245365 Ano: 2012
Disciplina: Engenharia Eletrônica
Banca: CESPE / CEBRASPE
Orgão: PEFOCE

De acordo com as condições de Barkhausen, para que um circuito funcione como oscilador,

o deslocamento total da fase do sinal no circuito deve estar entre 0 e Π.

 

Provas

Questão presente nas seguintes provas
1245364 Ano: 2012
Disciplina: Engenharia Eletrônica
Banca: CESPE / CEBRASPE
Orgão: PEFOCE

Acerca dos amplificadores de um ou mais estágios, julgue os próximos itens.

O ganho de um amplificador diretamente acoplado é menor em altas frequências do que em baixas frequências.

 

Provas

Questão presente nas seguintes provas