Foram encontradas 1.703 questões.
Considere o diagrama de força de uma chave estrela- -triângulo mostrado na figura a seguir.

Se a corrente nominal do motor de indução trifásico M1 é de 120 A quando operando com fechamento em Δ, e seu fator de serviço (FS) é igual a 1,15, o ajuste do relé de sobrecarga RS1, para adequada proteção do motor, deve ser
Provas
Um motor de indução trifásico, 60 Hz, apresenta enrolamento em configuração Dahlander, em que a conexão para maior velocidade corresponde a um enrolamento de 4 polos. Quando este motor possui seu enrolamento conectado para menor velocidade, a alternativa que melhor representa esse valor é:
Provas
O motor de indução trifásico é a máquina elétrica mais empregada na indústria como fonte de força motriz para os mais diversos tipos de máquinas e equipamentos. A característica que define a operação do motor de indução é que ele opera em condições nominais com
Provas
Um transformador monofásico possui dois enrolamentos concêntricos, montados em um núcleo laminado de aço silício com chapas em formato E-I. O enrolamento primário é composto por 720 espiras, e o enrolamento secundário é composto por 410 espiras. Com o transformador energizado foi encontrada uma tensão secundária de 280 Volts. Qual é o valor da tensão aplicada ao primário deste transformador?
Provas
Considere uma instalação elétrica de baixa tensão alimentada diretamente por uma subestação de transformação própria. O limite máximo de queda de tensão admissível, estabelecido pela norma NBR5410, para os circuitos de iluminação ou de outros usos desta instalação, é de:
Provas
Sobretensões em instalações elétricas de baixa tensão são originadas por diversos fatores, dentre os quais descargas atmosféricas, faltas entre fases ou entre fase e terra no sistema de distribuição, distúrbios produzidos por cargas potencialmente perturbadoras, entre outros. Uma forma de limitar os efeitos de sobretensões em instalações elétricas de baixa tensão é o emprego, de modo criterioso nos quadros de distribuição, de
Provas
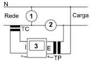
Observe a figura de um circuito contendo instrumentos de medição elétrica.

Nesta figura, os instrumentos 1, 2 e 3 são, respectivamente:
Provas
Um disjuntor termomagnético tripolar instalado em um quadro de distribuição de baixa tensão faz a proteção de um circuito alimentador de um aparelho de condicionamento de ar. Em determinado momento, esse disjuntor passou a desarmar aparentemente sem causa, pois a corrente de operação do aparelho foi medida e encontrava- se abaixo da corrente nominal do disjuntor. Ao se efetuar uma análise termográfica do disjuntor, foi verificada uma elevada temperatura em um dos terminais de saída do alimentador.
Com base nessas informações, o provável defeito que produz o desarme do disjuntor é:
Provas
As espécies da fauna e flora estão distribuídas entre os domínios morfoclimáticos brasileiros, sendo que as espécies ou populações que ocorrem juntas na mesma área geográfica, no mesmo hábitat ou em habitats diferentes dentro da mesma área geográfica, são denominadas de espécies
Provas
Os biomas brasileiros têm suas espécies de fauna características. Assinale a alternativa que contém corretamente um bioma, com suas respectivas espécies de ocorrência apontadas com seus nomes populares e científicos.
Provas
Caderno Container