Foram encontradas 822 questões.
Com relação a um circuito RLC série alimentado com uma fonte de tensão alternada, considere:
I. Na frequência de ressonância, tem-se a máxima corrente no circuito.
II. Na frequência de ressonância, o cálculo da corrente independe das reatâncias do circuito.
III. Abaixo da frequência de ressonância, a impedância será indutiva.
Está correto o que consta em
Provas
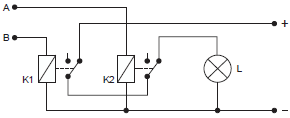
Considere o circuito dado a seguir:

Para acionamento da lâmpada, o circuito de relés executa a função lógica
Provas
Um motor de indução monofásico em operação está sendo analisado eletricamente por três instrumentos. O voltímetro mede a tensão de alimentação e indica 122 V; o amperímetro mede a corrente na fase do motor e indica 3,5 A; o wattímetro mede a potência consumida pelo motor e indica 384 W. Portanto, o motor opera com fator de potência de, aproximadamente,
Provas
Um osciloscópio possui tela com oito divisões horizontais e oito verticais. Ele está calibrado com base de tempo de 20 μs / DIV e o ganho vertical de 2 V / DIV. Considerando que quatro ciclos completos de um sinal triangular ocupam de forma exata a tela do osciloscópio, a frequência do sinal vale
Provas
Sobre especificações de lâmpadas para fins de projeto luminotécnico, considere as proposições:
I. A lâmpada fria tem como característica realçar as cores azuis e sua temperatura da cor, em kelvin, é superior à da lâmpada qualificada como quente, cuja característica é realçar a cor vermelha.
II. O índice de reprodução de cor das lâmpadas incandescente e halógena é elevado, enquanto que o da lâmpada a vapor de sódio é muito baixo.
III. A vida média da lâmpada halógena é elevada, enquanto que a da lâmpada a vapor de sódio é muito baixa.
Está correto o que consta em
Provas
Dois motores trifásicos do mesmo tipo são alimentados pela mesma rede de 220 V, desenvolvem a mesma potência no eixo, com valor igual a 2 CV e possuem a mesma corrente nominal, igual a 6 A. No entanto, o motor 1 tem fator de potência igual a 0,80 e o motor 2, igual a 0,70. Nesse caso,
Provas
Um motor CC com carga desenvolve potência de 0,30 CV no eixo com rotação de 1738 RPM. Nesse caso, ele está operando com torque de, em N.m, aproximadamente,
Provas
São dois tipos de motor CC:
Provas
Um transformador trifásico, com primário em triângulo e tensão de linha de 13,8 kV e secundário, em estrela com neutro e tensão de linha de 760 V, possui tensão de fase de
Provas
Um transformador bivolt, usado para converter a tensão da rede elétrica de 110 V para 220 V e vice-versa, tem especificação de potência igual a 2 kVA. Isso significa que
Provas
Caderno Container