Foram encontradas 850 questões.
Considere que no circuito abaixo o amperfmetro A 1 mede uma corrente igual a O A. Calcule o valor da corrente medida pelo amperfmetro A2, em mA.

Provas
Examine o circuito abaixo, calcule a tensão e o resistor do circuito equivalente de Thevenin vistos dos terminais a - b e assinale a opção correta.

Provas
Examine o circuito abaixo, no qual a lâmpada é um elemento puramente resistivo. Em um instante inicial to, a chave 1 está fechada e a chave 2 aberta. Após um longo tempo, no instante t2, a chave 1 é aberta e, em seguida, a chave 2 é fechada. Com base nessas informações, qual será o comportamento da lâmpada?

Provas
Considere quatro resistências idênticas R ligadas em série a uma mesma fonte de tensão V e cada uma delas dissipando a mesma potência P1. Se apenas duas dessas resistências R estiverem ligadas em paralelo à mesma fonte de tensão V, cada uma delas dissipará a mesma potência P2. Com base nos dados apresentados, calcule a potência P1 e assinale a opção correta.
Provas
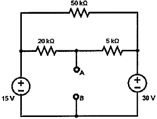
Dado o circuito abaixo, determine a corrente de Norton vista dos pontos A e B e assinale a opção correta.

Provas
O procedimento de estabelecimento de conexão utilizado pelo protocolo TCP (Transmission Control Pro/ocol) é denominado de:
Provas
Assinale a opção correta com relação ao protocolo SIP (Session lnitiation Protocol).
Provas
Com relação ás fibras ópticas, assinale a opção que completa corretamente as lacunas da sentença abaixo:
Fibras ópticas são cilíndricos por meio dos quais são propagadas ondas eletromagnéticas em seu interior cujos comprimentos de onda se encontram dentro do espectro da luz visível. Tal efeito se deve ao fenômeno da interna dessas ondas.
Provas
Com relação à telefonia celular, analise as afirmativas abaixo e, em seguida, assinale a opção correta.
I - Os métodos de acesso ao canal utilizados pela tecnologia GSM são o FOMA e o TOMA ao passo que na tecnologia 3G/UMTS utiliza-se o WCOMA.
lI- A arquitetura do padrão GSM é composta dos seguintes subsistemas: BSS (Base Station Subsystem), NSS (Network and Switching Subsystem), OSS ( Operation Support Subsystem) e BS (Base Station).
IlI- O serviço de dados associados à especificação do WCOMA é o HSOPA / HSUPA (High Speed Downlink Packet Access) / High Speed Uplink Packet Access).
Provas
O valor de tensão continua aplicado por uma central telefônica para o correto funcionamento de aparelhos telefônicos analógicos é igual a:
Provas
Caderno Container