Foram encontradas 50 questões.
Seja o circuito a seguir composto por uma fonte de tensão ideal V1 e duas resistências R1 e R2.
Se uma resistência de carga R3 for conectada entre os pontos A e B desse circuito, é INCORRETO afirmar que:

Provas
Um capacitar de 0,5 F está ligado a uma fonte de 20 V. Qual o valor da carga elétrica, em Coulomb, acumulada por esse capacitar?
Provas
Sabendo-se que as especificações nominais da lâmpada incandescente L 1 do circuito a seguir são tensão 12 V e potência 60 W, para qual valor deve ser ajustada a resistência R1 de modo que a lâmpada tenha sua potência limitada a 21,6 W?

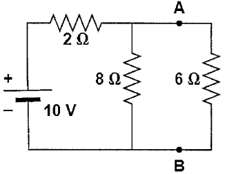
Provas
Qual a tensão VTh e a resistência RTh equivalentes de Thévenin vistas a partir do resistor de 6 !$ Ω !$, entre os pontos A e B, para o circuito a seguir?

Provas
De acordo com a ABNT NBR 5410:2004, que trata das instalações elétricas de baixa tensão, é correto afirmar que:
Provas
Qual a resistência, em Ohms, de um condutor com resistividade de 0,028 !$ Ω .mm^2/m !$, 2 km de extensão e seção de 10 mm2 ?
Provas
De acordo com a norma ABNT NBR 5410:2004, que trata das instalações elétricas de baixa tensão, é recomendada a omissão da proteção contra sobrecarga, por razões de segurança, para alguns equipamentos. Assinale a opção que apresenta um exemplo de circuito que alimenta tais equipamentos.
Provas
Considere que um motor elétrico de indução deva ser selecionado para emprego em uma prensa de perfuração, de forma a acionar uma carga de inércia extremamente elevada, desenvolvendo um conjugado de partida muito elevado e uma corrente de partida baixa. Além disso, considere que esse motor atue com um escorregamento de plena carga nominal de 11 %. Qual classe de projeto de motores de indução deverá ser utilizada de modo a satisfazer aos requisitos supracitados?
Provas
Considere que uma residência é alimentada por uma rede bifásica 127 V/ 220 V. Sendo assim, assinale a opção que apresenta o equipamento, seguido do tipo de ligação e respectiva potência nominal, que deve ser alimentado por um circuito independente.
Provas
Com relação ao processo fundamental de funcionamento das centrais termelétricas, como se dá a sequência de conversão das diferentes formas de energia?
Provas
Caderno Container