Magna Concursos

Foram encontradas 750 questões.

1273107 Ano: 2019
Disciplina: Mecânica de Autos
Banca: Marinha
Orgão: Marinha

A polia A1 de raio 60 cm, está ligada à polia 8, de raio 20 cm, por meio de uma correia inextensível. Se a polia A gira com frequência 1200rpm, determine a frequência da polia B, sabendo que não há escorregamento e assinale a opção correta.

 

Provas

Questão presente nas seguintes provas
1273106 Ano: 2019
Disciplina: Mecânica de Autos
Banca: Marinha
Orgão: Marinha

Em relação às juntas não metálicas, qual material da junta será utilizado para fluidos corrosivos em baixas pressões e temperatura ambiente?

 

Provas

Questão presente nas seguintes provas
1273059 Ano: 2019
Disciplina: Mecânica de Autos
Banca: Marinha
Orgão: Marinha

Analise a figura a seguir de um objeto em projeção no 1 º diedro.

enunciado 1273059-1

Assinale a opção que apresenta uma vista do objeto representado acima em perspectiva.

 

Provas

Questão presente nas seguintes provas
1273055 Ano: 2019
Disciplina: Mecânica de Autos
Banca: Marinha
Orgão: Marinha

Como se denomina o elemento do motor que se encarrega de converter o movimento alternativo retilíneo do êmbolo em movimento circular contínuo da árvore de manivelas?

 

Provas

Questão presente nas seguintes provas
1273014 Ano: 2019
Disciplina: Mecânica de Autos
Banca: Marinha
Orgão: Marinha

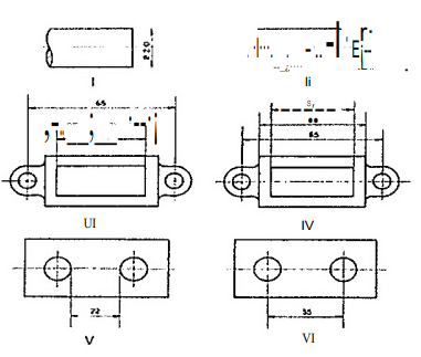
Observe as figuras a seguir.

enunciado 1273014-1

Com relação às cotagens das figuras acima, pode-se afirmar que estão corretas apenas as figuras:

 

Provas

Questão presente nas seguintes provas
1273013 Ano: 2019
Disciplina: Mecânica de Autos
Banca: Marinha
Orgão: Marinha

Para tubulações de ar comprimido de até 411 de diâmetro que operam com baixa pressão, qual a especificação do material do tubo mais recomendado?

 

Provas

Questão presente nas seguintes provas
1273012 Ano: 2019
Disciplina: Mecânica de Autos
Banca: Marinha
Orgão: Marinha

Assinale a opção que apresenta a correta função do turbocompressor.

 

Provas

Questão presente nas seguintes provas
1273011 Ano: 2019
Disciplina: Mecânica de Autos
Banca: Marinha
Orgão: Marinha

Calcule o passo, em mm, de um parafuso com rosca whitworth, sabendo que a rosca tem 32 fios por polegada e assinale a opção correta.

 

Provas

Questão presente nas seguintes provas
1273009 Ano: 2019
Disciplina: Mecânica de Autos
Banca: Marinha
Orgão: Marinha

Que parte do motor funciona, essencialmente, como "tampão" para os cilindros e acomoda os mecanismos das válvulas de admissão e escape, bicos injetores e canais de circulação do líquido de arrefecimento?

 

Provas

Questão presente nas seguintes provas
1273008 Ano: 2019
Disciplina: Mecânica de Autos
Banca: Marinha
Orgão: Marinha

Há diversos meios usados para conectar tubos entre si e ligar tubos às válvulas. Porém, há um tipo de ligação que tem como vantagens estanqueidade perfeita e permanente e boa resistência mecânica. Assinale a opção que apresenta esse tipo de ligação.

 

Provas

Questão presente nas seguintes provas