Foram encontradas 700 questões.
Em relação ao treinamento periódico bienal para capacitação de trabalhadores à realização de trabalho em altura, assinale a opção correta.
Provas
Como se denomina a saliência formada na carena de alguns navios em torno do eixo do hélice?
Provas
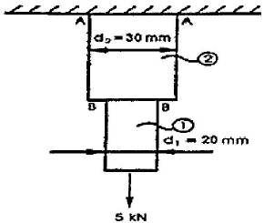
Observe a figura a seguir, que representa uma peça formada por duas barras de aço de seções circulares, unidas por solda na seção BB.

Na figura acima, a carga de tração que atua na peça é de 5 kN e as seções 1 e 2 da peça possuem diâmetro igual a 20 mm (d1) e 30 mm (d2), respectivamente. Sendo assim, desprezando-se o efeito do peso próprio do material, assinale a opção que apresenta os valores mais próximos das tensões normais para as seções 1 e 2, respectivamente.
Provas
Observe a figura a seguir.

Faça a leitura da medida indicada no paquímetro representado na figura acima e assinale a opção que apresenta essa medida corretamente.
Provas
Uma fita retangular de 3 cm de largura foi instalada em torno de uma pequena lata cilíndrica de 12 cm de altura e 300!$ \pi !$ cm3 de volume, dando uma volta completa, conforme mostrado na figura a seguir.

Qual a área da superfície da lata ocupada pela fita?
Provas
Como se denomina o tratamento térmico que consiste no aquecimento do aço a uma temperatura acima da zona crítica, seguido de resfriamento ao ar?
Provas
Com relação aos conceitos de metrologia e calibração, assinale a opção correta.
I. A escala de redução é aquela em que uma medida linear do objeto real é menor que a sua correspondente medida linear no desenho técnico.
II. O valor indicado mas cotas do desenho técnico representa as medidas reais do objeto, independentemente de esse objetivo ter sido ampliado ou reduzido no desenho.
III. As formas e as dimensões angulares do objeto real são mantidas inalteradas nas representações em escala do desenho técnico.
IV. Em uma escala 2:1, as dimensões do desenho são duas vezes menores que as dimensões reais do objeto.
Assinale a opção correta.
Provas
Como são denominadas as colunas que suportam as vigas colocadas de bombordo a boreste em cada caverna, para aumentar a rigidez da estrutura, em locais onde o espaço entre as anteparas estruturais é grande, ou para distribuir um esforço local por uma extensão maior do casco?
Provas
Observe a figura a seguir.

Na figura acima, a barra engastada possui comprimento igual a 4 m e uma carga distribuída (q) igual a 10 kN/m. Sendo assim, calcule os valores, em módulo, da força cortante e do momento fletor no ponto de engastamento, respectivamente, e assinale a opção correta.
Provas
Com relação ao processo de soldagem a arco com eletrodo revestido, qual é a denominação da descontinuidade que não se caracteriza como uma falha do soldador e ocorre quando o metal base trinca-se em forma de degraus, situados em planos paralelos à direção de laminação, devido ao fato do metal base não suportar tensões elevadas geradas pela contração da solda na direção da espessura?
Provas
Caderno Container