Foram encontradas 100 questões.
Considerando os motores de indução trifásicos, analise as afirmativas abaixo.
I - O motor de indução gaiola de esquilo permite a inserção de resistências em série com o enrolamento trifásico do rotor, de modo a controlar sua velocidade.
II - O motor Dahlander possui duas velocidades com um só enrolamento, uma sendo o dobro da outra.
III- O motor de rotor bobinado possui velocidade nominal de operação igual à velocidade síncrona do campo do estator.
Assinale a opção correta.
Provas
Orna fonte de tensão alternada monofásica de !$ 200 \sqrt{2} V_{rms} !$ alimenta uma carga composta por 10KW (resistiva), 15kVAr(capacitiva) e 25kVAr(indutiva). Assinale a opção que corresponde à corrente eficaz drenada pela carga.
Provas
Observe o circuito a seguir.

Com relação a esse circuito, suponha que os componentes elétricos são passivos ideais com parâmetros concentrados. Sendo assim, determine o valor da corrente em regime permanente fornecida pela bateria, e assinale a opção correta.
Provas
Assinale a opção que NÃO apresenta uma lâmpada do tipo de descarga.
Provas
Assinale a opção que NÃO corresponde a um método de partida de motores elétricos.
Provas
Analise as afirmativas abaixo. Com relação ao Método (Sistema de Proteção correto afirmar que: de Franklin para projeto de um SPDA contra Descargas Atmosféricas), é
I - Consiste em determinar um volume de proteção propiciado por um cone.
II - É possível ser utilizado para qualquer altura de edificação.
III- O grau de proteção é dado exclusivamente pela estatística de incidência de descargas atmosféricas na região.
IV - Não é necessário aterramento.
Provas
Observe o circuito a seguir.

Admitindo-se que o circuito acima está em regime permanente e que possui componentes elétricos passivos e ideais em seus parâmetros concentrados, assinale a opção que apresenta o valor da tensão entre os terminais "a'' e "b".
Provas
"Consiste em cobrir a parte superior da construção com uma malha captara de condutores elétricos nus". A descrição acima se refere a qual método de projeto de um SPDA (Sistema de Proteção Contra Descargas Atmosféricas)?
Provas
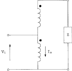
Observe a figura a seguir.

A figura acima representa um autotransformador monofásico ideal 220V/380V que alimenta uma carga Z de 41,8kVA. Sabendo que V1=220V, assinale a opção que corresponde ao valor da corrente Ix.
Provas
Um motor de indução trifásico possui velocidade síncrona de 3600rpm. Admitindo-se um escorregamento de 2%, assinale a opção que apresenta a velocidade nominal do motor.
Provas
Caderno Container