Foram encontradas 100 questões.
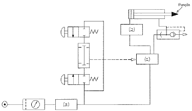
Analise o circuito a seguir.

Sabe-se que o circuito acima foi projetado para uma prensa rebitadora pneumática acionada por botão.

A correspondência correta entre os itens numerados no circuito e os elementos que eles representam é dada por:
Provas
Num sistema de transmissão composto por um parafuso sem-fim e uma coroa, sabe-se que o parafuso possui 5 entradas e gira a 1000 rpm.
Determine o número de dentes da coroa, sabendo que ela desenvolve 250 rpm, e assinale a opção correta.
Provas
Em relação aos compressores utilizados nos sistemas de refrigeração, é correto afirmar que:
Provas
O paralelepípedo retângulo a seguir é um aquário.

Para manter nesse aquário certa espécie de peixe, recomenda-se que haja, no máximo, 2 peixes a cada 150 cm2 de superfície interna do fundo e 3 peixes a cada 9 litros de água.
Deseja-se manter 12 desses peixes em um aquário como o da figura acima, de !$ ( \sqrt{3 \sqrt{5} \sqrt{3} \sqrt{5...} })^3 !$ cm de comprimentos.
Dessa forma, para atender as exigências na medida exata, a altura do aquário deverá ser igual a:
Provas
Como se denomina o ensaio de dureza por penetração que é baseado na profundidade de penetração de uma ponta, subtraída da recuperação elástica devido à retirada de uma carga maior e da profundidade causada pela aplicação de uma carga menor, e que elimina o tempo necessário para a medição de qualquer dimensão da impressão causada, pois o resultado é lido direta e automaticamente na máquina de ensaio?
Provas
Em relação aos tratamentos térmicos e termoquímicos, assinale a opção correta.
Provas
De acordo com a norma de Sistema de Tolerâncias e Ajustes (NBR 6158), analise as afirmativas abaixo sobre a indicação de tolerância 21H11.
I - Os dois primeiros algarismos indicam o diâmetro nominal.
II - A letra maiúscula indica que se trata de um furo.
III - Os dois últimos algarismos indicam qualidade 11, que exige o uso de mecânica grosseira.
Assinale a opção correta.
Provas
Em relação ao ciclo de refrigeração por compressão de vapor ideal, é correto afirmar que:
Provas
Em relação aos ensaios de materiais, é INCORRETO afirmar que:
Provas
Em relação às operações aritméticas envolvendo números inteiros, considere os números P, Q, R, S e T a seguir.
p = 12013 + 22013 + 32013 + ... + 20122013 + 20132013
Q = (2222233333 + 5555522222)33333 + (3333377777 + 7777733333)44444
R = 10624225
S = um número inteiro com exatamente 66 divisores
T = 4464x + 3472y, com x,y !$ \in !$ Z
N: conjunto dos números naturais; Z: conjunto dos números inteiros.
Em relação aos números acima, assinale a opção correta.
Provas
Caderno Container