Foram encontradas 850 questões.
Em relação ao transformador de potência, é INCORRETO afirmar que
Provas
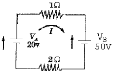
Analise a figura abaixo.

Considerando os valores dos componentes ideais apresentados no circuito acima, qual é o valor da potência fornecida pelas fontes de alimentação Va e Vb, respectivamente?
Provas
Para que servem as potências ativas e reativas indutivas, respectivamente?
Provas
Analise a figura abaixo.

Qual é o valor da corrente I2 no circuito acima?
Provas
Observe o circuito a seguir.

Sabendo que as resistências R1 e R3 representam as resistências do condutor elétrico e as resistências R2 e R4 representam, por exemplo, lâmpadas de sinalização, qual é o valor da corrente elétrica que passa pelo resistor R1 de !$ 1 K Omega !$?
Provas
Em um circuito elétrico, 5 (cinco) lâmpadas estão instaladas em série. Cada lâmpada exige 10V e corrente contínua de 0,2A para iluminar um compartimento. Calcule a potência total necessária para essa instalação, e assinale a opção correta.
Provas
Como se denomina o dispositivo comumente utilizado na partida de motores de indução, os quais são trifásicos com rotor em gaiola e potência acima de 5cv (4kW), tendo esse dispositivo o objetivo de diminuir a tensão aplicada em seus terminais e, desta maneira, limitar a corrente de partida do motor?
Provas
Analise a figura a seguir.

Assinale a opção que apresenta o nome das peças A, B, e C, respectivamente, as quais compõem a tesoura da estrutura do telhado de madeira representada na figura acima.
Provas
Em relação ao revestimento de argamassa de areia sobre alvenarias, é correto afirmar que
Provas
Segundo NBR 6118, assinale a opção que completa corretamente as lacunas da sentença abaixo.
Na remoção das fôrmas (desfôrma), o concreto dos pilares e lajes deve estar curado, liberado para a desfôrma, segundo recomendações das normas técnicas, ou seja: dias para a retirada de fôrmas laterais; dias para a retirada de fôrmas inferiores, permanecendo as escoras principais convenientemente espaçadas; dias para a retirada total de fôrmas e escoras. Esses prazos podem ser reduzidos quando forem adotados concretos com cimento de alta resistência inicial e usados aditivos aceleradores de pega, a critério do engenheiro da obra.
Provas
Caderno Container