Foram encontradas 1.300 questões.
Um paciente adulto foi submetido a uma biópsia renal na unidade hospitalar em que estava internado. A equipe de enfermagem deve adotar a seguinte conduta, como cuidado pós-biópsia:
Provas
Qual dos medicamentos descritos abaixo é utilizado na estabilização do humor e uma intoxicação com este medicamento é considerada uma emergência com risco de vida?
Provas
Um paciente adulto chegou ao Pronto Socorro com queimaduras no membro superior direito e face anterior de tórax e abdome. De acordo com a Regra dos Nove, que estima a área de superfície corporal envolvida em uma queimadura, qual é o percentual de área de comprometimento neste paciente?
Provas
Em relação à instalação elétrica residencial convencional, como é denominada a associação de lâmpadas elétricas, que estão submetidas a uma mesma tensão, sabendo que a queima de uma delas NÃO irá interferir nas outras lâmpadas?
Provas
Ao medir a resistência de um condutor de cobre a 20 graus Celsius, encontra-se 54 \( Ω \). Reduzindo a temperatura para zero grau Celsius, calcule o novo valor medido de resistência, sabendo-se que o coeficiente de temperatura para o cobre a zero grau é igual a 0,0039. Em seguida, assinale a opção que apresenta a resposta correta.
Provas
Uma corrente elétrica de intensidade de 8A percorre um condutor metálico. Sabendo-se que a carga elétrica elementar é e=1,6 x 10-19 C, qual será o número de elétrons que atravessarão uma secção transversal desse condutor em 1,0 min?
Provas
Em relação aos instrumentos de grandezas elétricas, é correto afirmar que o
Provas
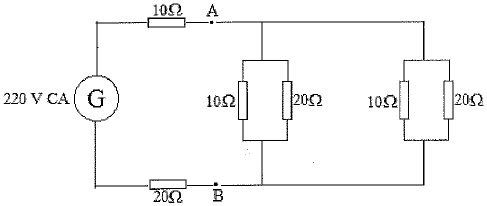
Observe a figura a seguir.

Foi dado um curto circuito entre os pontos A e B no circuito acima. Qual será o valor do módulo da corrente na saída do gerador, quando for atingido o estado permanente?
Provas
Um motor trifásico com 220 volts exige da rede elétrica 25 amperes por fase, com fator de potência de 80%. Qual é a potência, em watts (W), fornecida pela rede?
Provas
A Corveta Júlio de Noronha se encontra navegando no litoral do Estado do Espírito Santo, juntamente com a Corveta Barroso. O oficial que manobra a Corveta Júlio de Noronha avista a Corveta Barroso navegando na linha do horizonte. O Comandante da Corveta Júlio de Noronha deseja entrar em contato com a Corveta Barroso pelo rádio VHF do navio. Ao efetuar uma chamada via rádio, o Comandante percebe que o sinal está fraco, sofrendo forte interferência. Este chama o Oficial Encarregado pelas Comunicações do navio e explica a situação, dizendo que deseja entrar em contato com a Corveta Barroso. O Encarregado de comunicações começa a estudar a possível razão do problema. Após várias alternativas, resolve verificar o posicionamento da antena de VHF e resolve reinstalá-la em um ponto mais alto, no mastro do navio. Após a instalação, realiza um teste de fonia com a Corveta Barroso e constata que a comunicação melhorou sensivelmente. Daí pode-se concluir que o motivo mais plausível para a melhora das comunicações foi a instalação da antena em um ponto
Provas
Caderno Container