Foram encontradas 1.250 questões.
Observe a figura abaixo.

A carga de ruptura por tração de uma barra com seção transversal quadrangular com lado de 20 mm é de 14000 kgf. Qual é a resistência à tração desse aço e qual é o coeficiente de segurança existente quando a tensão admissível for 1400 kgf/cm2?
Provas
Uma barra de 5 m de comprimento tem secção transversal quadrangular com 5 cm de lado. Qual o valor, em cm, do alongamento produzido por uma força axial de 10 kgf, considerando E=2000 tf/cm2?
Provas
Observe a viga em balanço apresentada na figura abaixo.

De acordo com a figura acima, qual valor corresponde ao módulo da força cortante e ao momento fletor na seção de engastamento?
Provas
Com relação &a rugosidade de uma superfície metálica, é correto afirmar que
Provas
Analise a perspectiva a seguir.

Em relação à figura acima, assinale a opção que representa o símbolo indicativo de direção das estrias.
Provas
Que os metais são os principais componentes das ligas de latão?
Provas
É correto afirmar que o ferro fundido é uma liga de ferro- carbono com teor de carbono
Provas
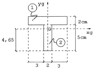
Um perfil de aço estrutural tem as dimensões nominais indicadas na figura abaixo. Quais seriam então os valores de Ixy e Iyg com relação aos eixos que passam pelo ponto "G'"?

Provas
Um navio em forma de paralelepípedo flutua com um calado de 10m em água doce. Sabe-se que as densidades da água do mar e da água doce, a uma dada temperatura, são iguais, respectivamente, a 1015kg/m” e 1007kg/m”. Não ocorrendo qualquer tipo de embarque de carga, determine qual será o seu calado, em metros, quando estiver flutuando no mar.
Provas
Em uma curva tensão-deformação, a partir de que limite as deformações passam a aumentar sem que praticamente haja alteração do valor da tensão?
Provas
Caderno Container